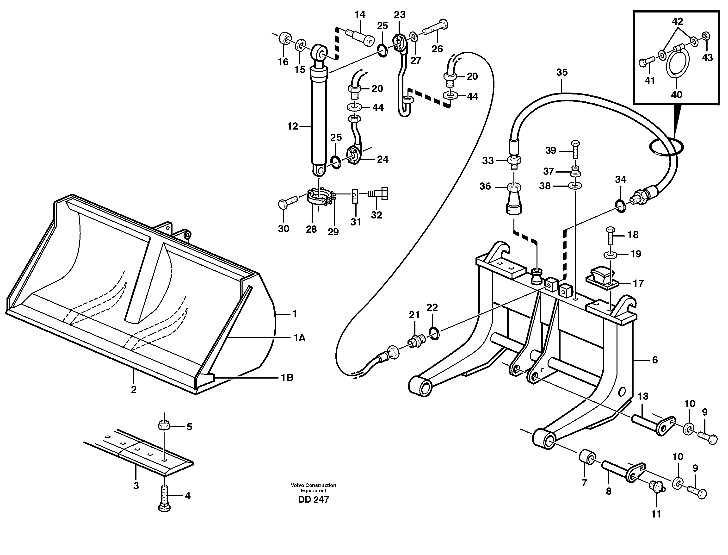
Запчасти Volvo EW160B 91982 High-tipping bucket ATTACHMENTS ATTACHMENTS BUCKETS

Схема запчастей Volvo EW160B - 91982 High-tipping bucket ATTACHMENTS ATTACHMENTS BUCKETS
FIT
1:1
100%

Артикул

Название

Примечание

Количество

VOE 4880494

Кольцо уплотнительное (О-кольцо)

1шт.

VOE 4880494

Кольцо уплотнительное (О-кольцо)

1шт.

VOE 11043021

Втулка (распорная)

L PROD

1шт.

VOE 11043021

Втулка (распорная)

L PROD

1шт.

VOE 927286

Кольцо уплотнительное (О-кольцо)

ID=30,2

1шт.

VOE 927286

Кольцо уплотнительное (О-кольцо)

ID=30,2

1шт.

VOE 11993256

Кольцо уплотнительное (О-кольцо)

OUTER

1шт.

VOE 11993256

Кольцо уплотнительное (О-кольцо)

OUTER

1шт.

VOE 925064

Кольцо уплотнительное (О-кольцо)

ID=32,2

1шт.

VOE 925064

Кольцо уплотнительное (О-кольцо)

ID=32,2

1шт.

VOE 11012522

Restricting Reverse Valve

6,0

1шт.

VOE 11993257

Back-up ring

1шт.

VOE 11993257

Back-up ring

1шт.

VOE 11993255

Кольцо уплотнительное (О-кольцо)

INNER

1шт.

VOE 11993255

Кольцо уплотнительное (О-кольцо)

INNER

1шт.

11

VOE 914160

Lubricating nipple

1шт.

11

VOE 914160

Lubricating nipple

1шт.

12

VOE 4784723

Гидроцилиндр

1шт.

13

VOE 4887666

4887666

1шт.

14

VOE 4809734

4809734

1шт.

15

VOE 930851

Шайба

1шт.

15

VOE 930851

Шайба

1шт.

16

VOE 963111

Lock nut

1шт.

16

VOE 963111

Lock nut

1шт.

17

VOE 4911933

Rubber cushion

1шт.

18

VOE 13970991

Винт шестигранник

1шт.

18

VOE 13970991

Винт шестигранник

1шт.

19

VOE 955952

Toothed washer

1шт.

2

VOE 4857503

Cutter

1шт.

20

VOE 929749

Hose assembly

1шт.

21

VOE 13943986

Nipple

1шт.

21

VOE 13943986

Nipple

1шт.

22

VOE 958227

Кольцо уплотнительное (О-кольцо)

1шт.

22

VOE 958227

Кольцо уплотнительное (О-кольцо)

1шт.

23

VOE 4857673

Hydraulic oil pipe

1шт.

24

VOE 4784393

Hydraulic oil pipe

1шт.

25

VOE 948698

Кольцо уплотнительное (О-кольцо)

1шт.

26

VOE 959222

Allen Hd Screw

1шт.

27

VOE 13941907

Шайба пружинная

1шт.

27

VOE 13941907

Шайба

1шт.

28

VOE 4857659

Зажим

1шт.

29

VOE 4857655

Зажим

1шт.

3

VOE 4857494

Bolt On Edge

1шт.

30

VOE 942314

Allen Hd Screw

1шт.

31

VOE 11411397

Зажим

1шт.

32

VOE 942314

Allen Hd Screw

1шт.

33

VOE 11012521

Restricting Reverse Valve

3,0

1шт.

34

VOE 958228

Кольцо уплотнительное (О-кольцо)

1шт.

34

VOE 958228

Кольцо уплотнительное (О-кольцо)

1шт.

35

VOE 13932650

Hose assembly

1шт.

35

VOE 13932650

Hose assembly

1шт.

36

VOE 4786201

Snap-on coupling

E PROD

1шт.

36

VOE 4786201

Snap-on coupling

E PROD

1шт.

37

VOE 4885042

Пробка (заглушка)

1шт.

37

VOE 4885042

Пробка (заглушка)

1шт.

38

VOE 4885043

Шайба

1шт.

38

VOE 4885043

Шайба

1шт.

39

VOE 13955295

Болт

1шт.

39

VOE 13955295

Болт

1шт.

4

VOE 11081026

Square neck screw

1шт.

4

VOE 11081026

Square neck screw

1шт.

40

VOE 4824482

Кольцо уплотнительное (О-кольцо)

1шт.

40

VOE 4824482

Кольцо уплотнительное (О-кольцо)

1шт.

41

VOE 955259

Винт шестигранник

1шт.

41

VOE 955259

Винт шестигранник

1шт.

42

VOE 13940090

Шайба

1шт.

42

VOE 13940090

Шайба

1шт.

43

VOE 13963104

Lock nut

1шт.

43

VOE 13963104

Lock nut

1шт.

44

VOE 14013069

Sealing washer

1шт.

44

VOE 14013069

Прокладка

1шт.

5

VOE 955786

Hexagon nut

1шт.

5

VOE 955786

Hexagon nut

1шт.

7

VOE 4787361

Втулка

1шт.

8

VOE 4809736

4809736

1шт.

9

VOE 13973144

Винт шестигранник

1шт.

9

VOE 13973144

Винт шестигранник

1шт.

Выбрано товаров: 0