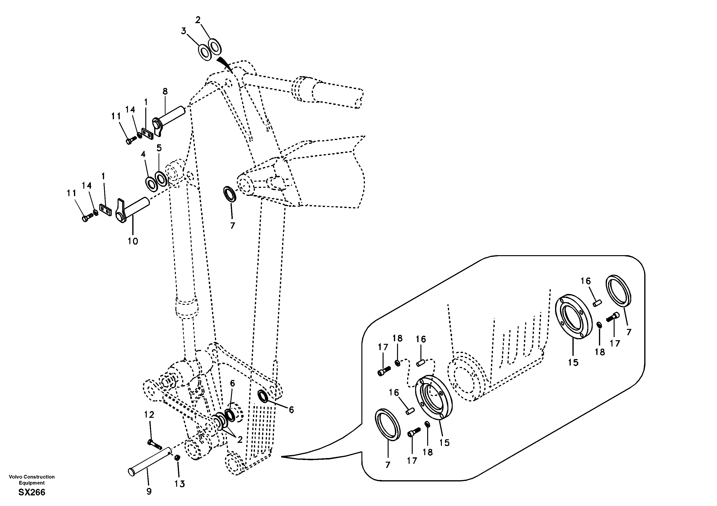
Запчасти Volvo EC330B 98523 Links to dipper arm EC330B SER NO INT 10713- EU&NA 80001-

№
Артикул
Название
Примечание
Количество
VOE 14549228
Крышка
SER NO 10732-
1шт.
SA 9011-22029
Болт
SER NO 10713-
1шт.
SA 9011-22029
Винт шестигранник
SER NO 10713-
1шт.
1
VOE 14524122
Пластина
1шт.
10
VOE 14549389
Палец
1шт.
10
VOE 14549389
Палец
1шт.
11
SA 9011-11606
Винт шестигранник
1шт.
11
SA 9011-11606
Болт
1шт.
12
SA 9011-22025
Болт
SER NO 10001-10712
1шт.
12
SA 9011-22025
Винт шестигранник
SER NO 10001-10712
1шт.
14
VOE 955926
Шайба пружинная
1шт.
14
VOE 955926
Шайба пружинная
1шт.
15
VOE 14549228
Крышка
SER NO 10713-10731
1шт.
16
SA 9324-21417
Палец
1шт.
17
SA 9016-11206
Болт
1шт.
18
VOE 955923
Шайба пружинная
1шт.
18
VOE 955923
Шайба пружинная
1шт.
2
VOE 14549084
Прокладка
1шт.
8
VOE 14509292
Палец
1шт.
8
VOE 14509292
Палец
1шт.
Выбрано товаров: 32