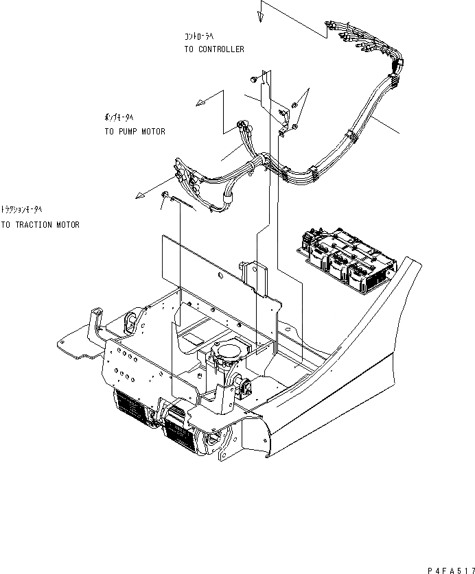
Запчасти Komatsu FB09HF-18F-12-A ЭЛЕКТРИКА (МОТОР КАБЕЛЬ) (ДЛЯ LIFT-UP ТИП АККУМУЛЯТОР) ЭЛЕКТРИКА

Схема запчастей Komatsu FB09HF-18F-12-A - ЭЛЕКТРИКА (МОТОР КАБЕЛЬ) (ДЛЯ LIFT-UP ТИП АККУМУЛЯТОР) ЭЛЕКТРИКА
1
2
3
4
5
6
FIT
1:1
100%

Артикул

Название

Примечание

Количество

1

3BA-55-77460

CABLE ASS'Y,MOTOR

SN: 837898-UP

1шт.

2

3BA-55-77440

CABLE ASS'Y,MOTOR

SN: 837898-UP

1шт.

3

3BA-55-71470

PLATE

SN: 837898-UP

1шт.

4

01024-80812

BOLT

SN: 837898-UP

2шт.

5

01024-80610

BOLT

SN: 837898-UP

1шт.

6

3BA-55-71452

PLATE

SN: 837898-UP

1шт.

Выбрано товаров: 0