Запчасти Komatsu 3D84E-3C ГЕНЕРАТОР И КРЕПЛЕНИЕ (A)(№89-) ЭЛЕКТРИКА

Схема запчастей Komatsu 3D84E-3C - ГЕНЕРАТОР И КРЕПЛЕНИЕ (A)(№89-) ЭЛЕКТРИКА
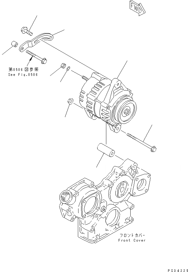
1
2
3
4
5
6
7
8
9
FIT
1:1
100%

Артикул

Название

Примечание

Количество

1

YM119836-77200

ALTERNATOR A. (40A),(SEE FIG.0642)

SN: 01891-UP

1шт.

2

YM119820-77340

SPACER

SN: 01891-UP

1шт.

3

YM129136-77250

BOLT

SN: 01891-UP

1шт.

4

YM26366-080002

NUT

SN: 01891-UP

1шт.

5

YM129136-77350

PLATE,ADJUST

SN: 01891-UP

1шт.

6

YM26014-080252

BOLT

SN: 01891-UP

1шт.

7

YM26716-050002

NUT

SN: 01891-UP

1шт.

8

YM22117-050000

WASHER,SPRING

SN: 01891-UP

1шт.

9

YM106500-44810

SPACER

SN: 01891-UP

1шт.

Выбрано товаров: 0