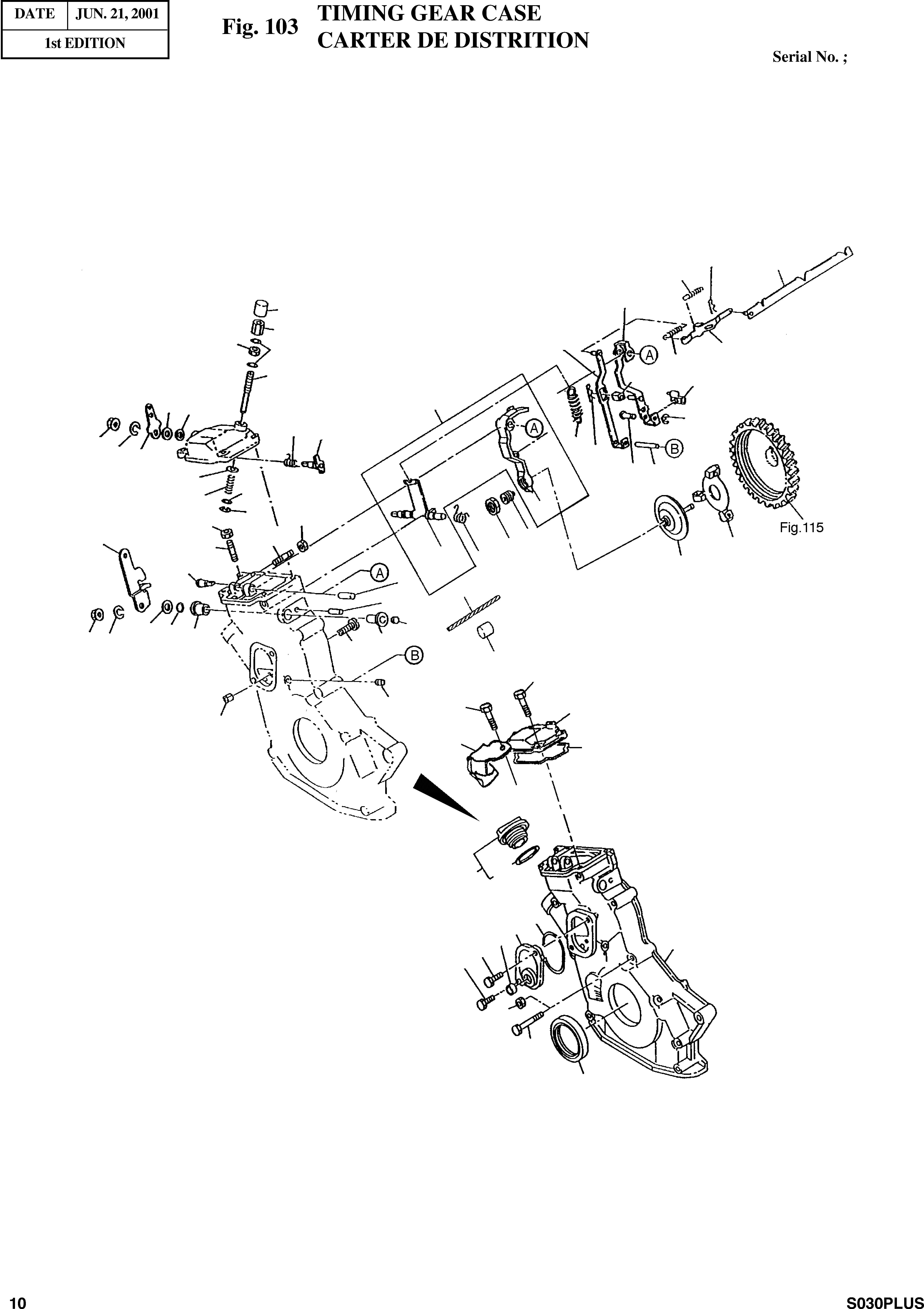
Запчасти Doosan Daewoo TIMING GEAR CASE ENGINE PARTS

№
Артикул
Название
Примечание
Количество
1
897045-6175
FLY WEIGHT ASS'Y
SC: A
1шт.
2
897084-9771
SLEEVE ASS'Y
SC: A
1шт.
4
908160-8500
SHAFT;LEVER D=8 L=50
SC: A
1шт.
5
897034-5945
LEVER;ASS'Y GUIDE
SC: A
1шт.
6
897034-6382
SHIFTER;GOVERNOR
SC: A
1шт.
7
908213-6250
SHAFT;SHIFTER D=6 L=2
SC: A
1шт.
8
909185-4040
RING;SNAP
SC: A
1шт.
9
897093-5491
LEVER KIT;GOVERNOR
SC: A
1шт.
10
897034-6374
LEVER;TEN'SION GOV
SC: A
1шт.
11
897034-6422
LEVER;MAIN SPRING
SC: A
1шт.
12
897094-4710
ANGLEICH KIT
SC: A
1шт.
13
894130-4380
NUT;HOLDER
SC: A
1шт.
14
897069-8911
SPRING;MAIN 1.7K
SC: A
1шт.
16
897062-4222
LEVER ASS'Y;FLOATING
SC: A
1шт.
17
908160-5450
SHAFT;FLOATING LEVER
SC: A
1шт.
18
109605-0500
PLUG;SHAFT PT1/8
SC: A
1шт.
19
897112-2650
PIECE;GUIDE PIN G/LEVER
SC: A
1шт.
20
109747-0020
PIN;SPRIT G/LEVER
SC: A
1шт.
22
897034-6393
PLATE;LINK LEVER-PUMP
SC: A
1шт.
23
897084-3250
SPRING;START
SC: A
1шт.
24
897083-7140
SPRING;SET
SC: A
1шт.
26
897106-2070
LINK ASS'Y;CONTROL L=217
SC: A
1шт.
27
109747-0020
PIN;SNAP LINK PLATE
SC: A
1шт.
30
897016-9400
SPRING;RETURN
SC: A
1шт.
31
894369-5450
BUSH;LEVER MAIN SPRING
SC: A
1шт.
32
897038-8021
BUSH;LEVER MAIN SPRING
SC: A
1шт.
33
894454-6150
CUP;SEALING BUSH D=10
SC: A
1шт.
34
897049-3280
LEVER;GOVERNOR CONTROL
SC: A
1шт.
35
109623-0550
O-RING;CONTROL SPEED SE
SC: A
1шт.
36
509503-1350
WASHER;THRUST
SC: A
1шт.
37
909110-5080
NUT;LEVER TO SHAFT
SC: A
1шт.
38
908160-4360
PIN;CONTROL SPRING
SC: A
1шт.
39
909150-5080
WASHER;SPRING
SC: A
1шт.
40
894317-6381
SCREW CONTROL SPEED SET
SC: A
2шт.
41
909110-4060
NUT;SCREW
SC: A
2шт.
43
897039-5841
SCREW SET FULL LOAD
SC: A
1шт.
44
909110-4060
NUT;SCREW
SC: A
1шт.
46
515729-2391
EYE;START SPRING
SC: A
1шт.
48
897016-4410
SCREW;SET IDLE SPRING
SC: A
1шт.
49
909160-5040
WASHER;IDLE SPR LOWER
SC: A
1шт.
50
909160-7040
WASHER;IDLE SPR UPPER
SC: A
1шт.
51
909185-4030
RING;SNAP IDLE SPR
SC: A
1шт.
52
509503-1320
PACKING;SET SCREW
SC: A
2шт.
53
509400-0480
NUT;CAP SET SCREW
SC: A
1шт.
54
909111-4060
NUT;SET SCREW
SC: A
1шт.
55
515669-0021
CAP;IDLE SET
SC: A
1шт.
56
897082-1140
SPRING;IDLE
SC: A
1шт.
57
897016-4460
SHAFT ASS'Y;FUEL CUT
SC: A
1шт.
58
897039-5461
SPRING;RETURN FUEL CUT
SC: A
1шт.
59
897016-4492
LEVER;FUEL CUT
SC: A
1шт.
60
109623-0550
O-RING;SHAFT
SC: A
1шт.
61
509503-1350
WASHER;THRUST
SC: A
1шт.
62
909110-5080
NUT;SHAFT-LEVER
SC: A
1шт.
63
909150-5080
WASHER;SPRING
SC: A
1шт.
64
115739-0020
SEAL;LEAD
SC: A
2шт.
65
981325-4460
WIRE;LEAD SEAL
SC: A
2шт.
65
981325-4460
WIRE;LEAD SEAL
SC: A
1шт.
67
897034-6362
COVER;GOVERNOR LEVER
SC: A
1шт.
68
897064-6881
PACKING;COCER FIX
SC: A
1шт.
69
028080-6200
BOLT;COCER FIX
SC: A
3шт.
71
897085-1331
CASE;GEAR TIMIMG
SC: A
1шт.
81
028080-8800
BOLT;TIMIMG CASE-BLOCK
SC: A
2шт.
81
028080-8600
BOLT;TIMIMG CASE-BLOCK
SC: A
6шт.
81
028090-8600
BOLT;TIMIMG CASE-BLOCK
SC: A
6шт.
82
091150-2080
NUT;TIMIMG CASE FIX
SC: A
1шт.
90
897039-2644
COVER;ANGLEICH
SC: A
1шт.
92
909561-2530
O-RING;COVER ANGLEICH
SC: A
1шт.
93
028080-6140
BOLT;COVER FIX
SC: A
1шт.
94
897072-8300
BOLT;W/DETENT HOLE L=1
SC: A
1шт.
96
894425-6852
CAP ASS'Y;OIL FILLER
SC: A
1шт.
97
894123-6231
PACKING;CAP
SC: A
1шт.
98
897125-9740
COVER;EPA
SC: D
1шт.
99
897132-2911
BOLT M6X16
SC: D
1шт.
Выбрано товаров: 75