burger
mini logo mini logo

Качественные детали и логистика

zakaz@partsell.ru 8 (800) 777-65-74
  • Написать в whatsapp
  • Каталог
  • Справочники
  • Сервисным и ремонтным
    организациям
  • Поставщикам запчастей
  • Контакты
Заказать запчасти ()

Оригинальные и аналоговые запчасти с доставкой по России, Казахстану и Беларуси

©2022 PartSell
ООО "Система"
ИНН 2463123282
ОГРН 1212400004838


Центральный офис: г. Красноярск, Академика Киренского, д.87, пом.4

Телефон: 8 (800) 777-65-74
Email: zakaz@partsell.ru

8 (800) 777-65-74 zakaz@partsell.ru
Главная
/
Справочники
/
Case
/
Погрузчики
/
Грунторезы, траншеекопатели
/
CABLE LAYER
/
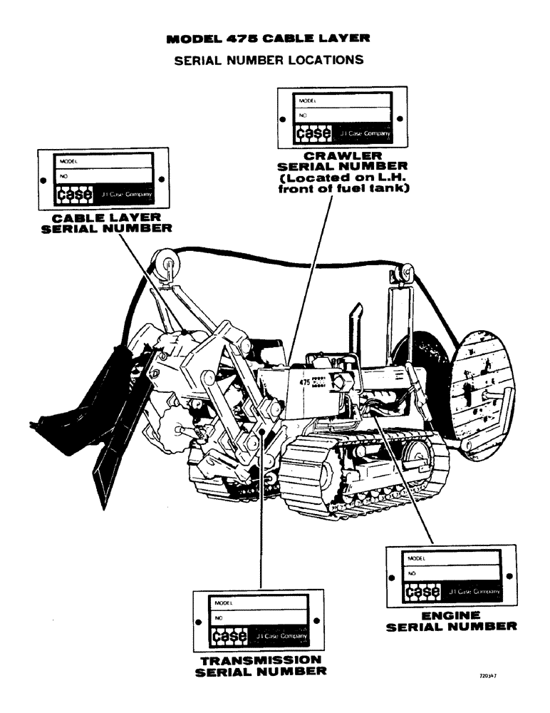
(475) - CASE CABLE LAYER W/301B ENGINE (PRIOR TO S/N 3058169) (1/72-12/83)
/
(05) - SERVICE & MAINTENANCE
/

(004) - SERIAL NUMBER LOCATIONS

Запчасти Case 475 (004) - SERIAL NUMBER LOCATIONS (05) - SERVICE & MAINTENANCE

Схема запчастей Case 475 - (004) - SERIAL NUMBER LOCATIONS (05) - SERVICE & MAINTENANCE
FIT
1:1
100%