Запчасти Case CX36B (35.000.00[01]) - SECTION INDEX - HYDRAULIC SYSTEMS (35) - HYDRAULIC SYSTEMS

Схема запчастей Case CX36B - (35.000.00[01]) - SECTION INDEX - HYDRAULIC SYSTEMS (35) - HYDRAULIC SYSTEMS
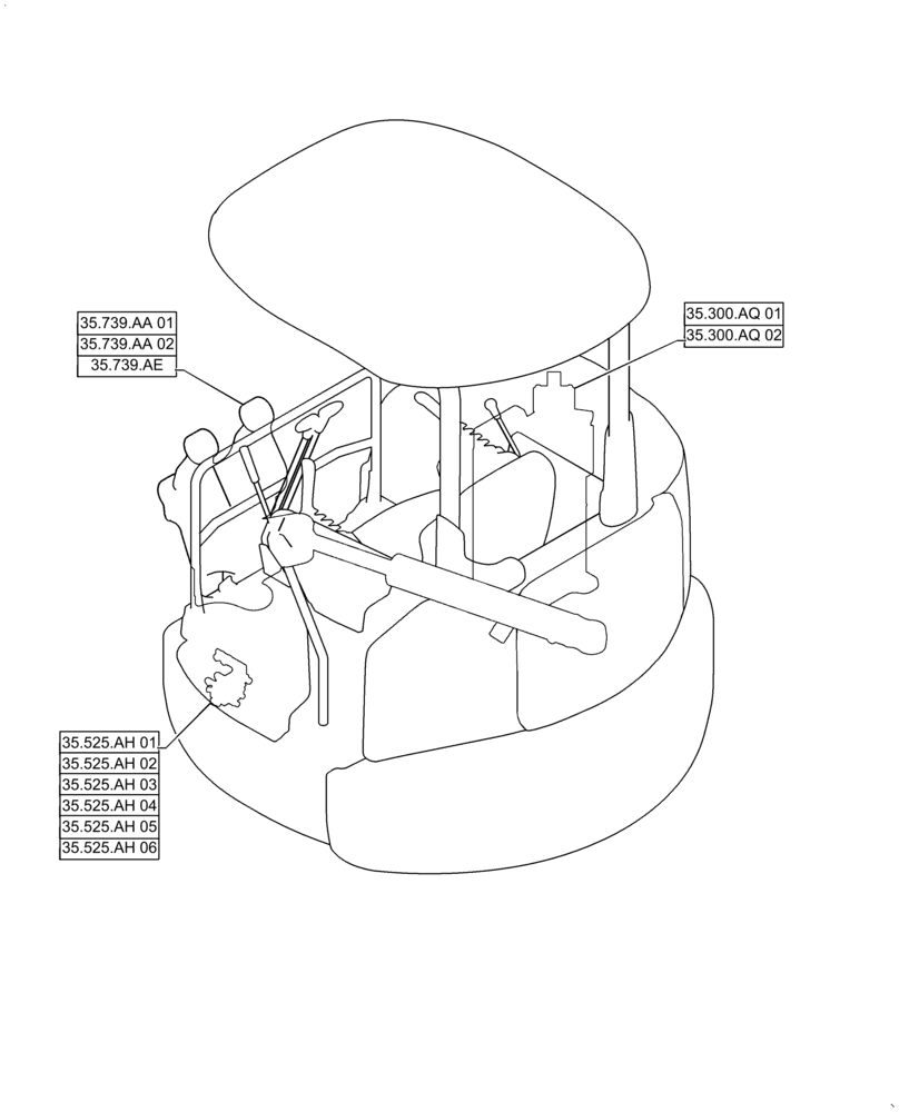
35.739.aa 01
35.739.aa 02
35.525.ah 01
35.525.ah 04
35.525.ah 03
35.525.ah 06
35.525.ah 05
35.300.aq 02
35.739.ae
35.525.ah 02
35.300.aq 01
FIT
1:1
100%