Запчасти Case 580SN (00.000.55[05]) - PICTORIAL INDEX - ELECTRICAL SYSTEMS (00) - GENERAL & PICTORIAL INDEX

Схема запчастей Case 580SN - (00.000.55[05]) - PICTORIAL INDEX - ELECTRICAL SYSTEMS (00) - GENERAL & PICTORIAL INDEX
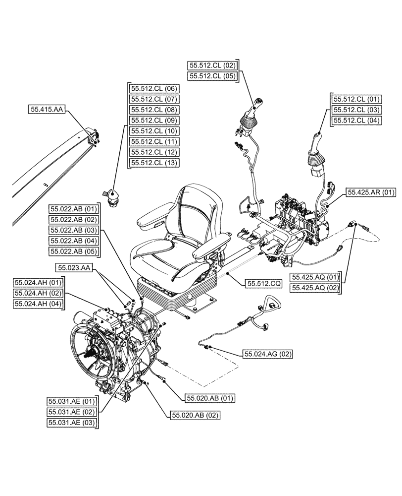
55.020.ab (02)
55.512.cl (08)
55.512.cl (05)
55.415.aa
55.512.cl (01)
55.512.cl (02)
55.512.cl (11)
55.512.cl (06)
55.512.cl (07)
55.512.cl (09)
55.512.cl (12)
55.512.cl (10)
55.512.cl (13)
55.512.cl (04)
55.512.cl (03)
55.512.cq
55.031.ae (03)
55.425.aq (01)
55.425.aq (02)
55.031.ae (01)
55.031.ae (02)
55.024.ah (01)
55.425.ar (01)
55.024.ah (02)
55.022.ab (05)
55.024.ah (04)
55.022.ab (01)
55.022.ab (03)
55.022.ab (02)
55.020.ab (01)
55.024.ag (02)
55.022.ab (04)
55.023.aa
FIT
1:1
100%