Запчасти Case 580SN (00.000.21[01]) - PICTORIAL INDEX - TRANSMISSION, POWERSHUTTLE (00) - GENERAL & PICTORIAL INDEX

Схема запчастей Case 580SN - (00.000.21[01]) - PICTORIAL INDEX - TRANSMISSION, POWERSHUTTLE (00) - GENERAL & PICTORIAL INDEX
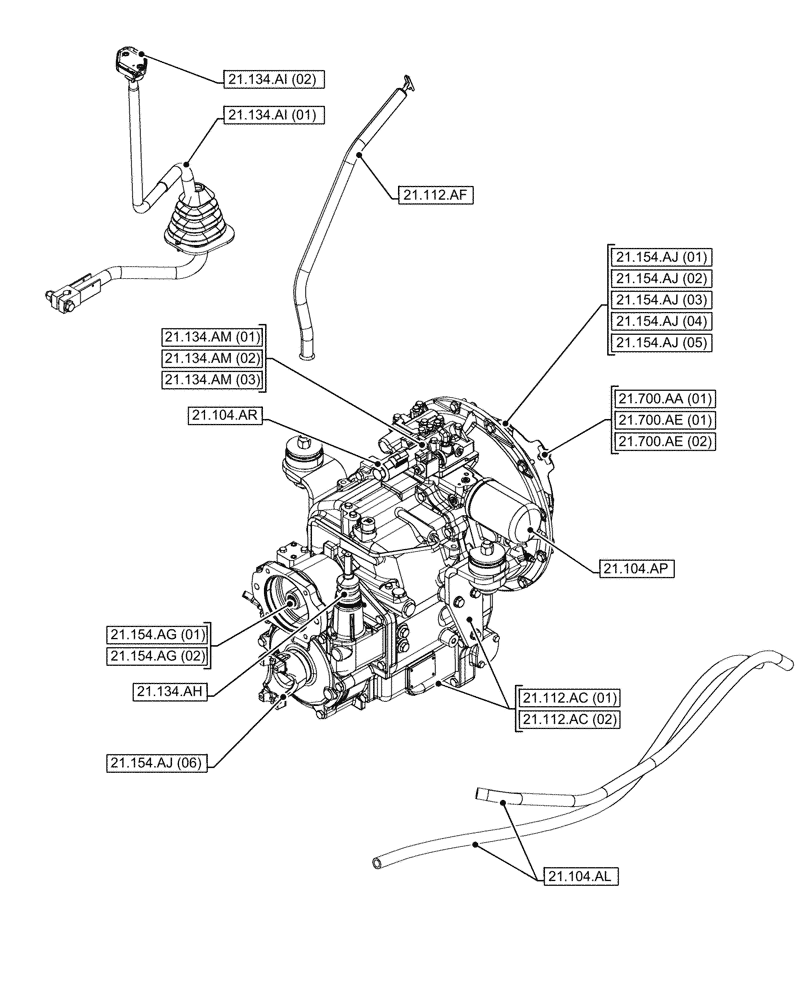
21.154.ag (01)
21.134.ai (02)
21.700.aa (01)
21.700.ae (01)
21.700.ae (02)
21.134.ah
21.154.aj (02)
21.134.am (02)
21.134.am (01)
21.134.ai (01)
21.104.ar
21.154.aj (05)
21.104.al
21.154.aj (01)
21.104.ap
21.154.aj (06)
21.154.ag (02)
21.112.af
21.134.am (03)
21.154.aj (03)
21.154.aj (04)
21.112.ac (01)
21.112.ac (02)
FIT
1:1
100%