Запчасти Case 21F (00.000.55[04]) - PICTORIAL INDEX - ELECTRICAL SYSTEMS (00) - GENERAL & PICTORIAL INDEX

Схема запчастей Case 21F - (00.000.55[04]) - PICTORIAL INDEX - ELECTRICAL SYSTEMS (00) - GENERAL & PICTORIAL INDEX
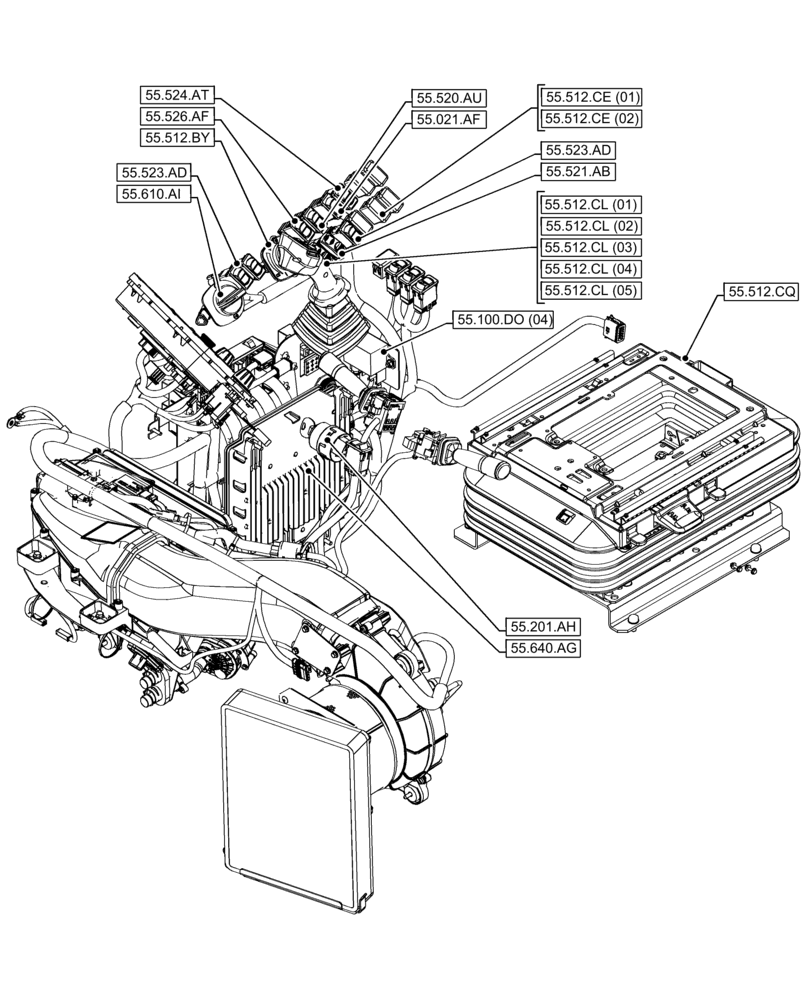
55.523.ad
55.610.ai
55.524.at
55.512.cl (01)
55.523.ad
55.521.ab
55.512.cl (04)
55.100.do (04)
55.520.au
55.512.by
55.526.af
55.512.cq
55.512.ce (01)
55.201.ah
55.021.af
55.512.cl (05)
55.512.ce (02)
55.512.cl (02)
55.512.cl (03)
55.640.ag
FIT
1:1
100%