Запчасти Case 21F (00.000.41) - PICTORIAL INDEX - STEERING (00) - GENERAL & PICTORIAL INDEX

Схема запчастей Case 21F - (00.000.41) - PICTORIAL INDEX - STEERING (00) - GENERAL & PICTORIAL INDEX
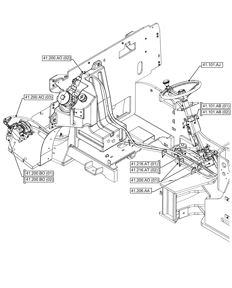
41.101.aj
41.216.at (02)
41.200.ao (03)
41.101.ab (01)
41.101.ab (02)
41.216.at (01)
41.200.bo (02)
41.206.aa
41.200.ao (01)
41.200.ao (02)
41.200.bo (01)
FIT
1:1
100%