Запчасти Case 21F (00.000.10[02]) - PICTORIAL INDEX - ENGINE (00) - GENERAL & PICTORIAL INDEX

Схема запчастей Case 21F - (00.000.10[02]) - PICTORIAL INDEX - ENGINE (00) - GENERAL & PICTORIAL INDEX
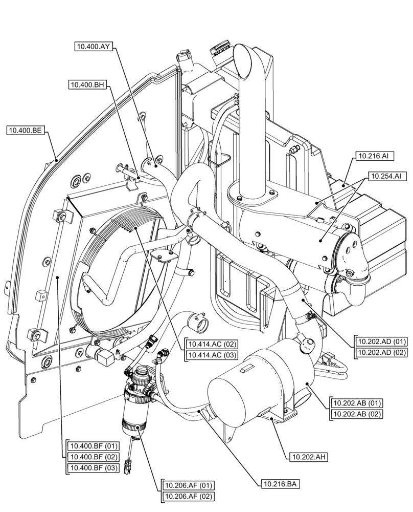
10.206.af (01)
10.206.af (02)
10.400.ay
10.216.ai
10.414.ac (03)
10.202.ad (02)
10.216.ba
10.202.ab (01)
10.400.bf (03)
10.400.bf (01)
10.400.bh
10.202.ad (01)
10.202.ah
10.254.ai
10.400.be
10.202.ab (02)
10.400.bf (02)
10.414.ac (02)
FIT
1:1
100%