Запчасти Case 21F (00.000.05) - PICTORIAL INDEX - MACHINE COMPLATION AND EQUIPMENT (00) - GENERAL & PICTORIAL INDEX

Схема запчастей Case 21F - (00.000.05) - PICTORIAL INDEX - MACHINE COMPLATION AND EQUIPMENT (00) - GENERAL & PICTORIAL INDEX
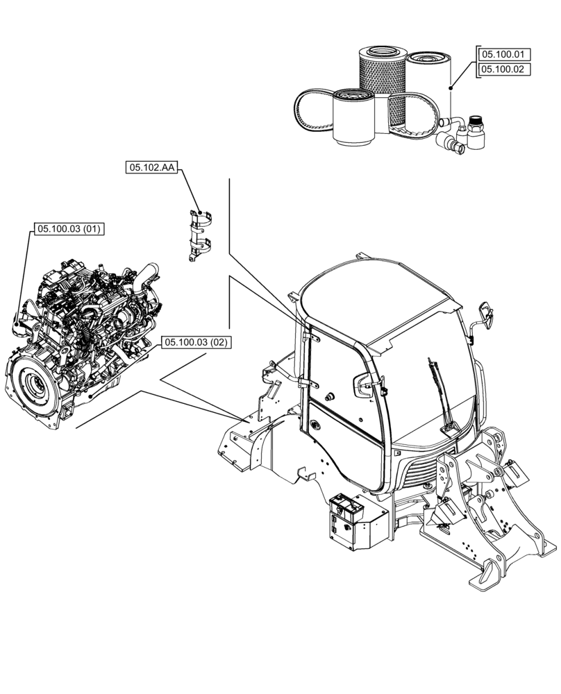
05.100.01
05.102.aa
05.100.03 (01)
05.100.02
05.100.03 (02)
FIT
1:1
100%