Качественные детали и логистика
Оригинальные и аналоговые запчасти с доставкой по России, Казахстану и Беларуси
©2022 PartSell ООО "Система" ИНН 2463123282 ОГРН 1212400004838
Центральный офис: г. Красноярск, Академика Киренского, д.87, пом.4
Телефон: 8 (800) 777-65-74 Email: zakaz@partsell.ru
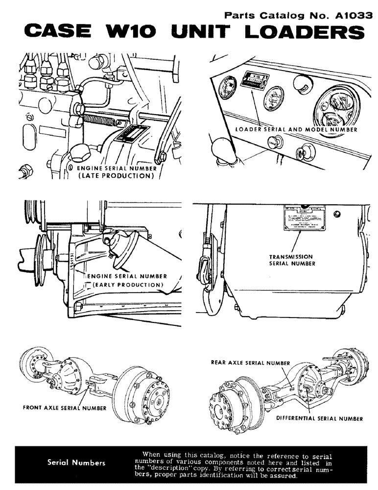
(001) - SERIAL NUMBERS, ENGINE S/N, AND TRANS. S/N, FRONT AXLE S/N, AND REAR AXLE S/N, DIFFERENTIAL S/N