Запчасти Case 1121G (00.000.50) - PICTORIAL INDEX - CAB CLIMATE CONTROL (00) - GENERAL & PICTORIAL INDEX

Схема запчастей Case 1121G - (00.000.50) - PICTORIAL INDEX - CAB CLIMATE CONTROL (00) - GENERAL & PICTORIAL INDEX
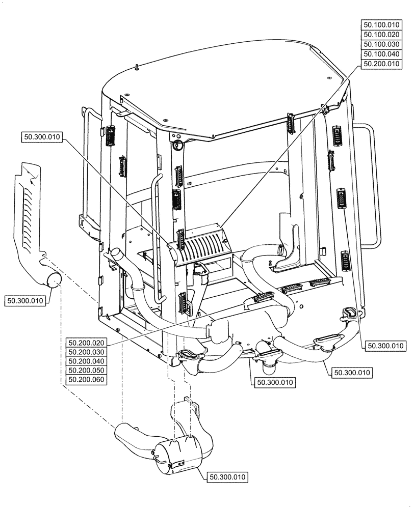
50.300.010
50.100.040
50.200.030
50.200.050
50.100.010
50.200.020
50.100.030
50.200.040
50.200.060
50.100.020
50.200.010
50.300.010
50.300.010
50.300.010
50.300.010
50.300.010
FIT
1:1
100%