Запчасти Case 35 (188[1]) - OPTIONAL LEVELER CHECK VALVE (35) - HYDRAULIC SYSTEMS
![Схема запчастей Case 35 - (188[1]) - OPTIONAL LEVELER CHECK VALVE (35) - HYDRAULIC SYSTEMS](https://partsell.ru/storage/images/casece/948175.png)
FIT
1:1
100%
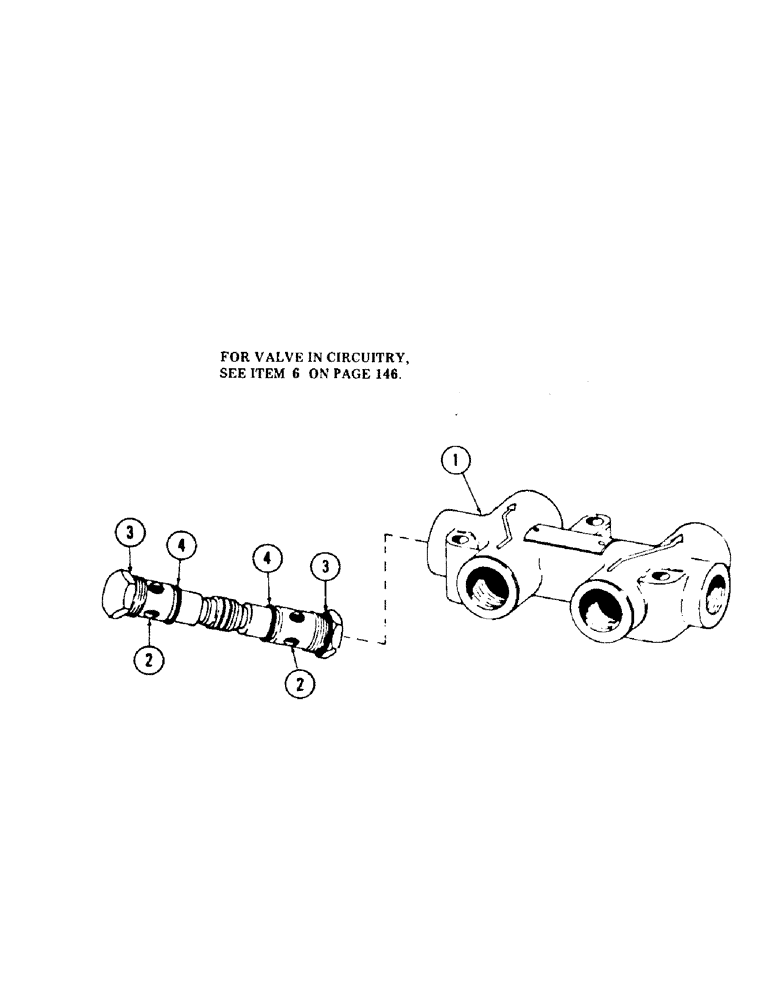
№
Артикул
Название
Примечание
Количество
S33333
CHECK VALVE
VALVE, leveler check
1шт.
1
NSS
NOT SOLD SEPARAT
BODY, valve
1шт.
2
S61961
CHECK VALVE
CARTRIDGE, double acting
1шт.
3
S12184
O-RING
"O" RING, plug
2шт.
4
D48820
O-RING,0.07" Thk x 0.489" ID, -14, Cl 6, 90 Duro
"O" RING, sleeve and poppet
2шт.
5
S96675
SPRING
- (Not illustrated)
1шт.
Выбрано товаров: 6