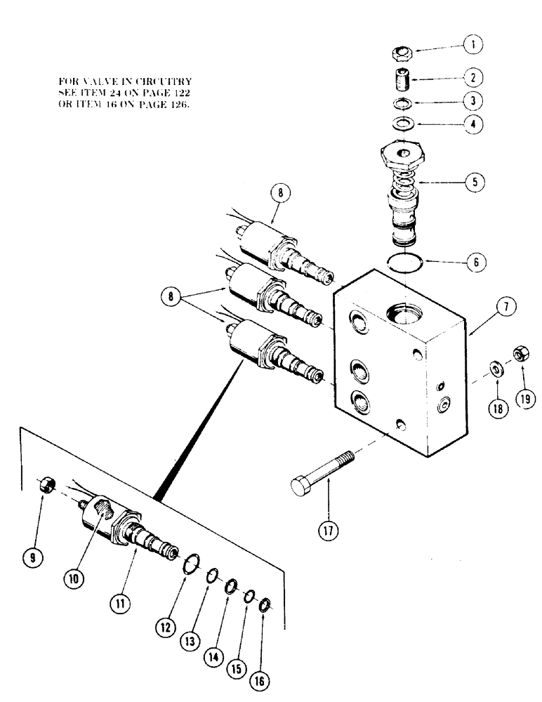
Запчасти Case 35 (184) - SOLENOID MONOBLOCK VALVE, (USED ON UNITS WITH PIN 6266301 AND AFTER) (35) - HYDRAULIC SYSTEMS

№
Артикул
Название
Примечание
Количество
S237983
VALVE
solenoid monoblock
1шт.
1
S109478
NUT
1шт.
2
S109482
SCREW, adjustment
1шт.
3
S109479
WASHER
1шт.
4
S109477
WASHER, special
1шт.
5
NSS
NOT SOLD SEPARAT
HOUSING ASSEMBLY, cartridge
1шт.
6
S5713
O-RING,0.103" Thk x 0.987" ID, -120, Cl 5, 75 Duro
"O" RING - .987" ID x 1.187" OD
1шт.
7
NSS
NOT SOLD SEPARAT
HOUSING
1шт.
8
S237942
VALVE
CARTRIDGE, solenoid valve
3шт.
9
S109473
NUT
1шт.
10
S116422
COIL
1шт.
11
NSS
NOT SOLD SEPARAT
HOUSING ASSEMBLY, cartridge
1шт.
12
S6061
O-RING,0.639" ID x 0.09" Width
"O" RING - .644" ID x .818" OD
1шт.
13
S5605
O-RING,0.07" Thk x 0.364" ID, -12, Cl 5, 75 Duro
"O" RING - .364" ID x .500" OD
1шт.
14
S109476
RING
back-up
1шт.
15
S5604
O-RING
"O" RING - .301" ID x .437" OD
1шт.
16
S109475
BACK-UP RING
back-up
1шт.
17
113-138
BOLT,Hex, 5/16" - 18 x 3-1/2", Gr 5
2шт.
18
195-102
WASHER,1/4"
flat - 5/16"
2шт.
19
131-462
NUT,5/16"-18
NUT, self locking - 5/16" - 18 NC
2шт.
Выбрано товаров: 20