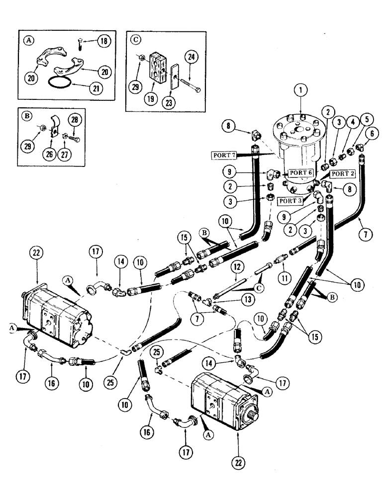
Запчасти Case 35 (140) - LOWER TRACK DRIVE MOTOR AND DRAIN HYDRAULICS (35) - HYDRAULIC SYSTEMS

№
Артикул
Название
Примечание
Количество
1
REF
INSTRUCTION
SWIVEL, 7-port hydraulic - (For breakdown, see Fig. 164)
1шт.
2
218-797
REDUCER,37 Degree, 1" x 3/4" Tube
ADAPTER, reducing - (1" x 3/4" tube) - 1-1/16" - 12 male - 37 degrees flared
3шт.
3
218-348
TUBE NUT,37 Degree, 1 5/16"-12, Type B
NUT, sleeve (1" tube) - 1-5/16" - 12 female - 37 degrees flared
3шт.
4
218-796
REDUCER,37 Degree, 5/8" x 3/8" Tube
ADAPTER, reducing - (3/4" x 1/2" tube) - 3/4" - 16 male 37 degrees flared
1шт.
5
218-346
TUBE NUT,37 Degree, 1 1/16"-12, Type B
NUT, sleeve - (3/4" tube) - 1-1/16" - 12 female - 37 degrees flared
1шт.
6
218-5230
ELBOW,90 Degree, 3/4"-16, 37 Degree x 3/4"-16, 37 Degree Fem Sw
90 degrees swivel - (1/2" tube) - 3/4" - 16 male - 16 female - 37 degrees flared
1шт.
7
S11230
HOSE
high pressure - 3/8" OD x 28" long - (With 3/4" - 16 female pressed on couplings)
3шт.
8
218-5231
ELBOW,90 Degree, 1 1/16"-12, 37 Degree x 1 1/16"-12, 37 Degree Fem Sw
90 degrees swivel - (3/4") - 1-1/16" - 12 male x 1-1/16" - 12 female - 37 degrees flared
2шт.
9
218-5234
ELBOW,90 Degree, 1 5/16"-12, 37 Degree x 1 5/16"-12, 37 Degree Fem Sw
90 degrees swivel - (1" tube) - 1-5/16" - 12 male x 1-5/16" - 12 female - 37 degrees flared
2шт.
10
S15468
HOSE
high pressure - 3/4" ID x 28" long - (With 1-1/16" - 12 female pressed on couplings)
8шт.
11
REF
INSTRUCTION
VALVE, check - (For breakdown, see Fig. 190)
1шт.
12
S209700
TUBE, hydraulic 0.5" OD x 12" L
1шт.
13
218-840
TEE,37 Degree, 3/4"-16 x 3/4"-16, Fem Sw Br
- (1/2" tube) - 3/4" - 16 male x 3/4" - 16 male x 3/4" - 16 female - 37 degrees flared
1шт.
14
S9492
ELBOW
45 degrees - (3/4" tube) - 1-1/16" - 12 male x 1-1/16" - 12 female - 37 degrees flared
2шт.
15
218-737
UNION,1 1/16"-12, 37 Degree x 1 1/16"-12, 37 Degree
flared - (3/4" tube) - 1-1/16" - 12 male x 1-1/16" - 12 male - 37 degrees flared
4шт.
16
S234822
LINE,0.75" OD
TUBE, hydraulic
2шт.
17
S234821
ADAPTER
TUBE, hydraulic
4шт.
18
113-312
BOLT,Hex, 7/16" - 14 x 1-1/4", Gr 5
- 1/2" NC x 1-1/4" gr 5
16шт.
19
S229701
CLAMP, tube
1шт.
20
A12301
CLAMP,Half
CLAMP, split flange
8шт.
21
S6586
O-RING,0.139" Thk x 1.484" ID, -222, Cl 6, 90 Duro
"O" RING - 1.484" ID x 1.750" OD
4шт.
22
REF
INSTRUCTION
MOTOR, track drive - (For breakdown, see Fig. 178)
2шт.
23
S106048
BAR
1шт.
24
80087972
BOLT,Hex, 1/2" - 13 x 2 1/2", Gr 5
- 1/2" NC x 2-1/2" gr 5
1шт.
25
218-1055
ELBOW,90 Degree, 3/4"-16, 37 Degree x 1/4"-18, NPTF
90 degrees - (1/2" tube) - 3/4" - 16 male x 1/4" NPT male - 37 degrees flared
2шт.
26
S82991
CLAMP
4шт.
27
196-15
WASHER,17/32" x 1 1/6" x .134"
hardened flat - 1/2"
4шт.
28
113-410
BOLT,Hex, 1/2" - 13 x 1-1/2", Gr 5, Full Thd
4шт.
29
131-70
NUT,1/2"-13, GB
NUT, self locking - 1/4" NC
5шт.
Выбрано товаров: 29