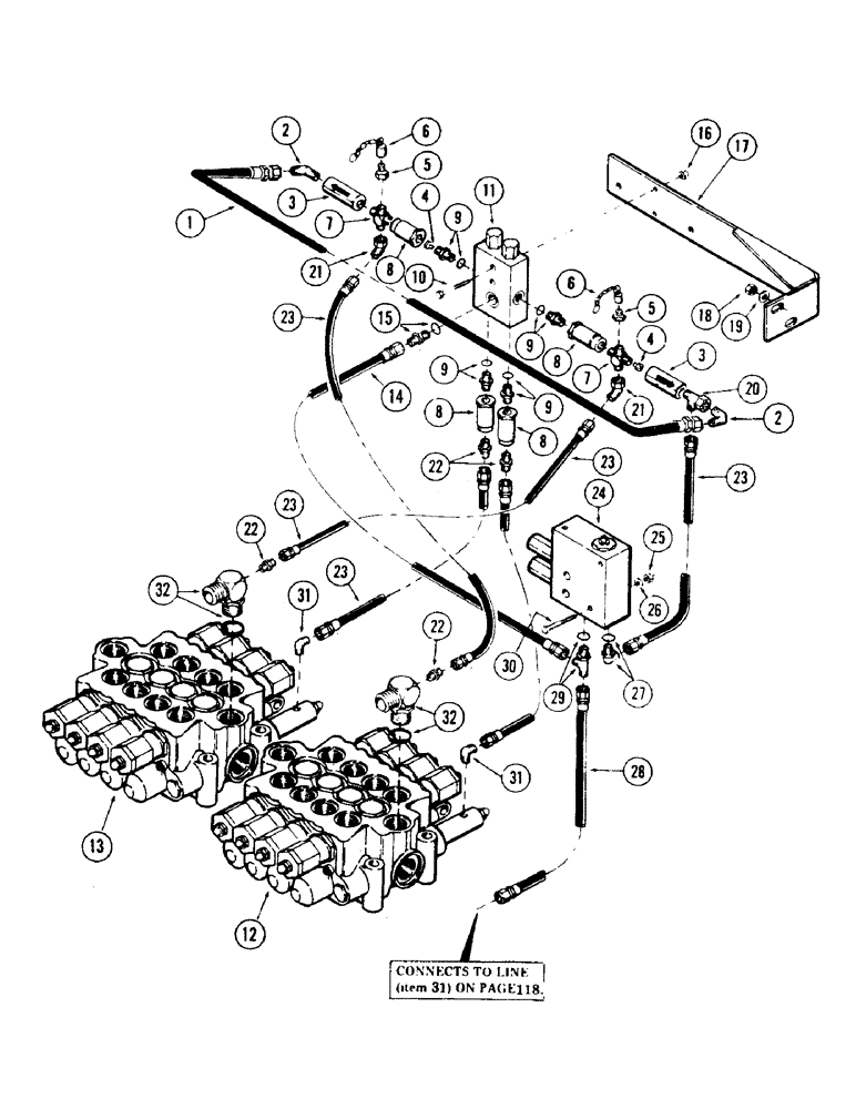
Запчасти Case 35 (124) - POWER SENSING TUBING (35) - HYDRAULIC SYSTEMS

FIT
1:1
100%
№
Артикул
Название
Примечание
Количество
30
113-138
BOLT,Hex, 5/16" - 18 x 3-1/2", Gr 5
1шт.
31
218-492
90 ELBOW,90 Degree Elbow, 9/16" - 18 Male JIC x 1/8" - 27 Male NPTF
- 90 degrees - (3/8" tube) - 9/16" - 18 male x 1/8" NPT male - 37 degrees flared
2шт.
32
REF
INSTRUCTION
ELBOW - 90 degrees - 1-5/16" - 12 male x 1-5/16" - 12 male - 37 degrees flared - (See item 2 on Fig. 116)
2шт.
Выбрано товаров: 3