Запчасти Case CX490D RTC (00.000.55[02]) - PICTORIAL INDEX - ELECTRICAL SYSTEMS (00) - GENERAL & PICTORIAL INDEX

Схема запчастей Case CX490D RTC - (00.000.55[02]) - PICTORIAL INDEX - ELECTRICAL SYSTEMS (00) - GENERAL & PICTORIAL INDEX
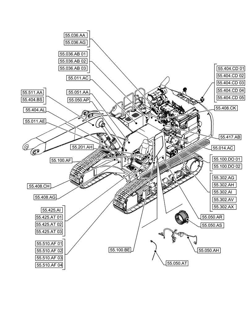
55.050.ap
55.408.ag
55.510.af 03
55.404.cd 05
55.510.af 02
55.302.ah
55.100.af
55.404.cd 02
55.201.ah
55.425.at 01
55.404.cd 01
55.100.do 01
55.510.af 04
55.425.at 02
55.302.ai
55.011.ae
55.036.aa
55.302.ax
55.036.ag
55.036.ab 03
55.014.ac
55.408.ch
55.404.al
55.100.be
55.425.ai
55.511.aa
55.302.av
55.011.ac
55.425.at 03
55.100.do 02
55.036.ab 02
55.510.af 01
55.050.ah
55.408.ck
55.036.ab 01
55.050.ar
55.404.cd 03
55.050.as
55.404.cd 04
55.404.bs
55.051.aa
55.302.ag
55.417.ab
55.050.at
FIT
1:1
100%