Запчасти Case CX490D LC (55.000.00[02]) - SECTION INDEX - ELECTRICAL SYSTEMS (55) - ELECTRICAL SYSTEMS

Схема запчастей Case CX490D LC - (55.000.00[02]) - SECTION INDEX - ELECTRICAL SYSTEMS (55) - ELECTRICAL SYSTEMS
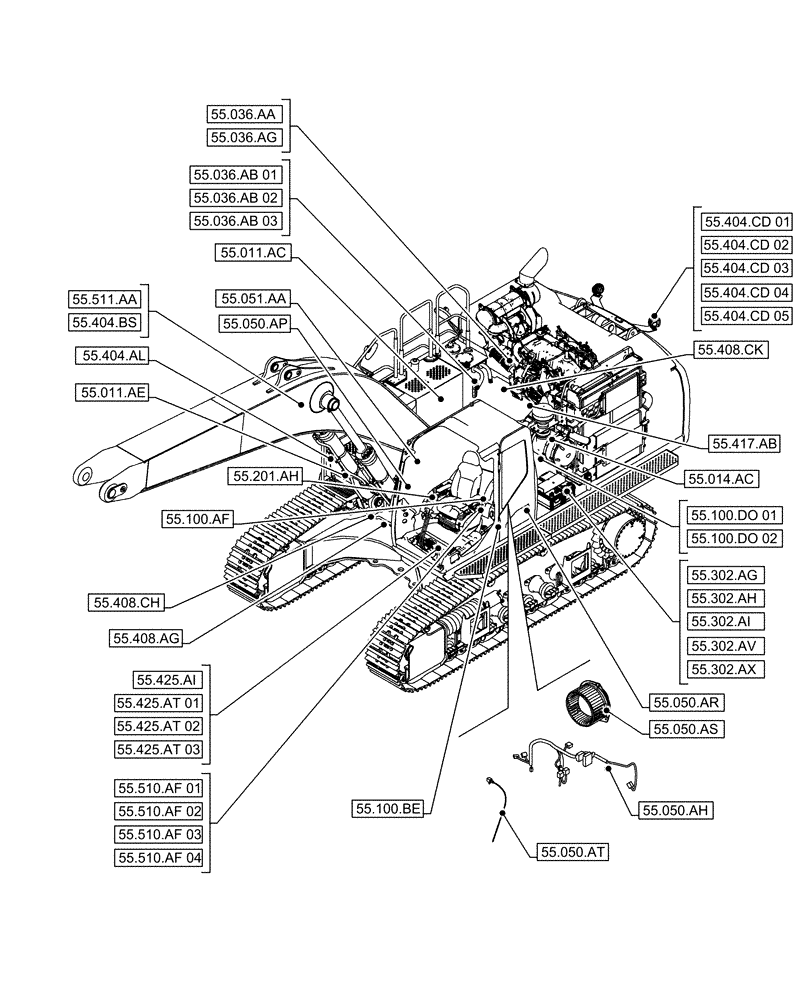
55.050.ap
55.408.ag
55.510.af 03
55.404.cd 05
55.510.af 02
55.302.ah
55.100.af
55.404.cd 02
55.201.ah
55.425.at 01
55.404.cd 01
55.100.do 01
55.510.af 04
55.425.at 02
55.302.ai
55.302.ax
55.011.ae
55.036.aa
55.036.ag
55.036.ab 03
55.014.ac
55.408.ch
55.404.al
55.100.be
55.425.ai
55.302.av
55.011.ac
55.511.aa
55.425.at 03
55.100.do 02
55.036.ab 02
55.510.af 01
55.050.ah
55.408.ck
55.036.ab 01
55.050.ar
55.404.cd 03
55.050.as
55.404.cd 04
55.404.bs
55.051.aa
55.302.ag
55.417.ab
55.050.at
FIT
1:1
100%