Запчасти Case CX300D LC (00.000.35[04]) - PICTORIAL INDEX - HYDRAULIC SYSTEMS (00) - GENERAL & PICTORIAL INDEX

Схема запчастей Case CX300D LC - (00.000.35[04]) - PICTORIAL INDEX - HYDRAULIC SYSTEMS (00) - GENERAL & PICTORIAL INDEX
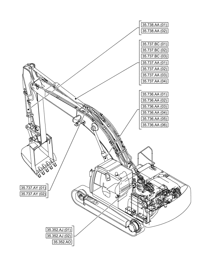
35.736.aa (03)
35.736.aa (05)
35.737.aa (01)
35.352.aj (01)
35.737.bc (03)
35.737.ay (01)
35.736.aa (02)
35.737.aa (02)
35.737.bc (02)
35.736.aa (01)
35.737.aa (03)
35.738.aa (01)
35.737.aa (04)
35.737.ay (02)
35.352.aj (02)
35.737.bc (01)
35.738.aa (02)
35.736.aa (06)
35.736.aa (04)
35.352.ao
FIT
1:1
100%