Качественные детали и логистика

zakaz@partsell.ru 8 (800) 777-65-74
  • Написать в whatsapp
  • Каталог
  • Справочники
  • Сервисным и ремонтным
    организациям
  • Поставщикам запчастей
  • Контакты
Заказать запчасти

Оригинальные и аналоговые запчасти с доставкой по России, Казахстану и Беларуси

©2022 PartSell
ООО "Система"
ИНН 2463123282
ОГРН 1212400004838


Центральный офис: г. Красноярск, Академика Киренского, д.87, пом.4

Телефон: 8 (800) 777-65-74
Email: zakaz@partsell.ru

8 (800) 777-65-74 zakaz@partsell.ru
Главная
/
Справочники
/
Case
/
Строительно-дорожная техника
/
Экскаваторы гусеничные
/
CXD
/
(CX245D) - CRAWLER EXCAVATOR STD W/BLADE - TIER 4B (NA) (1/17-)
/
(10) - ENGINE
/

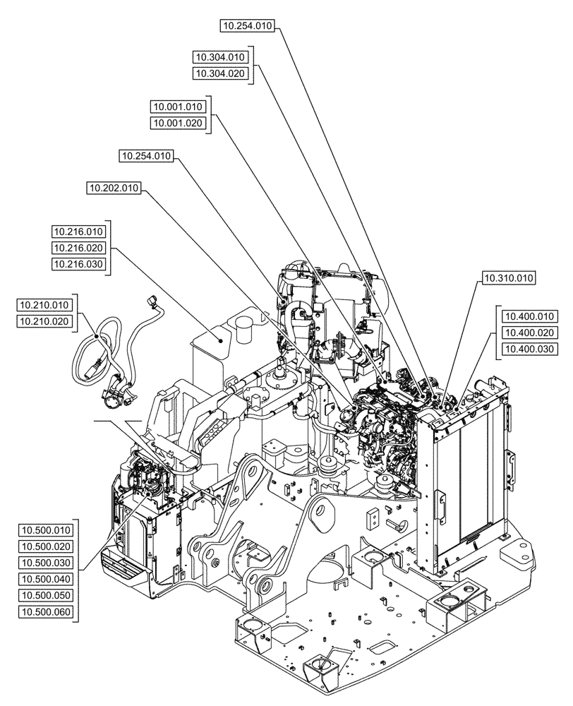
(10.000.00) - SECTION INDEX - ENGINE

Запчасти Case CX245D (10.000.00) - SECTION INDEX - ENGINE (10) - ENGINE