Запчасти Case CX245D (50.000.00) - SECTION INDEX - CAB CLIMATE CONTROL (50) - CAB CLIMATE CONTROL

Схема запчастей Case CX245D - (50.000.00) - SECTION INDEX - CAB CLIMATE CONTROL (50) - CAB CLIMATE CONTROL
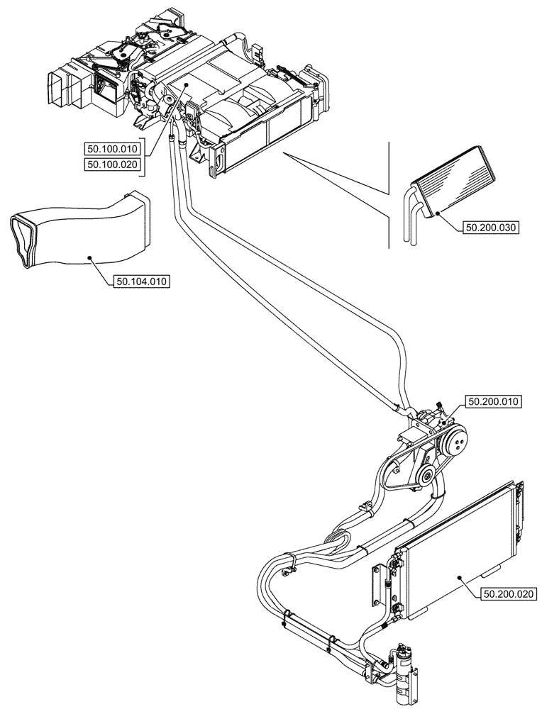
50.104.010
50.100.020
50.200.030
50.200.020
50.200.010
50.100.010
FIT
1:1
100%