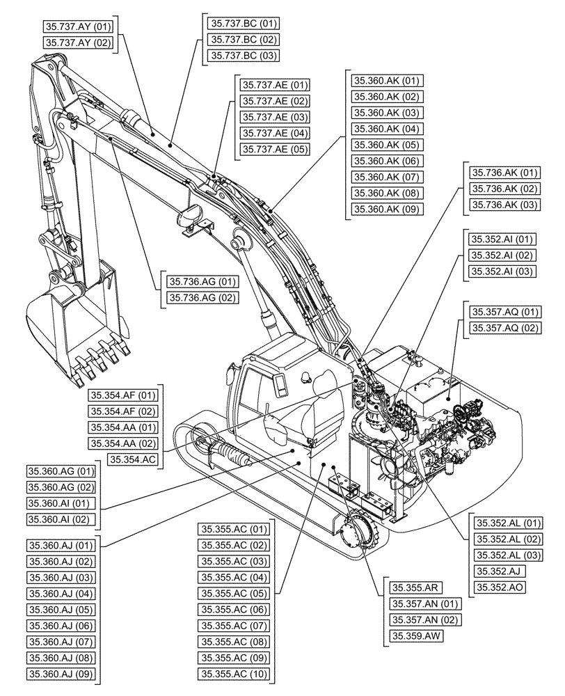
Запчасти Case CX210D NLC (00.000.35[01]) - PICTORIAL INDEX - HYDRAULIC SYSTEMS (00) - GENERAL & PICTORIAL INDEX

Схема запчастей Case CX210D NLC - (00.000.35[01]) - PICTORIAL INDEX - HYDRAULIC SYSTEMS (00) - GENERAL & PICTORIAL INDEX
35.737.ay (02)
35.352.al (03)
35.360.aj (03)
35.737.ae (02)
35.360.aj (02)
35.737.ae (04)
35.354.aa (01)
35.360.aj (04)
35.357.aq (01)
35.355.ac (04)
35.360.aj (06)
35.354.ac
35.360.aj (07)
35.352.ai (01)
35.360.ak (03)
35.355.ac (03)
35.736.ak (02)
35.360.ak (07)
35.360.ak (05)
35.360.ak (08)
35.737.bc (01)
35.360.aj (09)
35.352.ai (03)
35.360.ai (01)
35.737.ae (01)
35.355.ac (01)
35.360.ak (02)
35.360.ak (06)
35.357.an (01)
35.355.ac (09)
35.359.aw
35.355.ac (05)
35.360.ag (02)
35.737.ae (05)
35.355.ac (10)
35.736.ak (03)
35.360.aj (08)
35.736.ak (01)
35.737.ay (01)
35.354.af (01)
35.355.ar
35.355.ac (02)
35.360.ak (09)
35.355.ac (08)
35.737.bc (03)
35.354.af (02)
35.360.ak (01)
35.352.al (02)
35.355.ac (07)
35.360.ag (01)
35.736.ag (01)
35.360.aj (01)
35.360.aj (05)
35.352.al (01)
35.357.aq (02)
35.737.ae (03)
35.352.ai (02)
35.354.aa (02)
35.352.ao
35.737.bc (02)
35.736.ag (02)
35.355.ac (06)
35.352.aj
35.357.an (02)
35.360.ak (04)
35.360.ai (02)
FIT
1:1
100%