Запчасти Case CX210D LC LR (00.000.55[01]) - PICTORIAL INDEX - ELECTRICAL SYSTEMS (00) - GENERAL & PICTORIAL INDEX

Схема запчастей Case CX210D LC LR - (00.000.55[01]) - PICTORIAL INDEX - ELECTRICAL SYSTEMS (00) - GENERAL & PICTORIAL INDEX
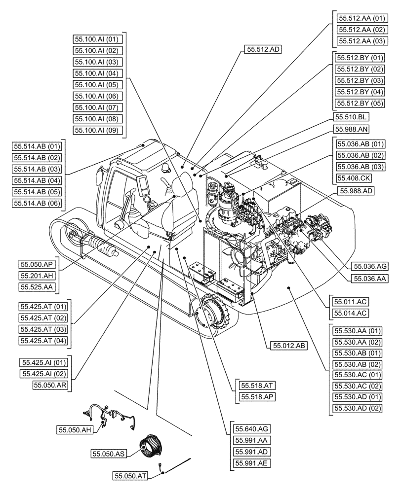
55.036.aa
55.425.at (04)
55.425.at (01)
55.530.ad (02)
55.036.ab (03)
55.512.aa (02)
55.012.ab
55.425.ai (01)
55.036.ag
55.100.ai (03)
55.050.as
55.530.aa (01)
55.640.ag
55.518.ap
55.512.aa (03)
55.425.at (03)
55.512.by (02)
55.510.bl
55.100.ai (04)
55.408.ck
55.512.by (01)
55.530.ab (01)
55.050.ar
55.530.ad (01)
55.514.ab (02)
55.530.ab (02)
55.525.aa
55.991.aa
55.100.ai (02)
55.988.an
55.011.ac
55.512.aa (01)
55.514.ab (01)
55.050.ah
55.991.ae
55.100.ai (09)
55.530.ac (01)
55.514.ab (06)
55.988.ad
55.512.ad
55.201.ah
55.514.ab (03)
55.014.ac
55.512.by (03)
55.036.ab (01)
55.100.ai (06)
55.530.ac (02)
55.100.ai (05)
55.530.aa (02)
55.100.ai (07)
55.425.at (02)
55.512.by (04)
55.100.ai (08)
55.514.ab (05)
55.991.ad
55.512.by (05)
55.036.ab (02)
55.518.at
55.100.ai (01)
55.050.ap
55.514.ab (04)
55.425.ai (02)
55.050.at
FIT
1:1
100%