Запчасти Case CX210D LC (35.000.00[01]) - SECTION INDEX - HYDRAULIC SYSTEMS (35) - HYDRAULIC SYSTEMS

Схема запчастей Case CX210D LC - (35.000.00[01]) - SECTION INDEX - HYDRAULIC SYSTEMS (35) - HYDRAULIC SYSTEMS
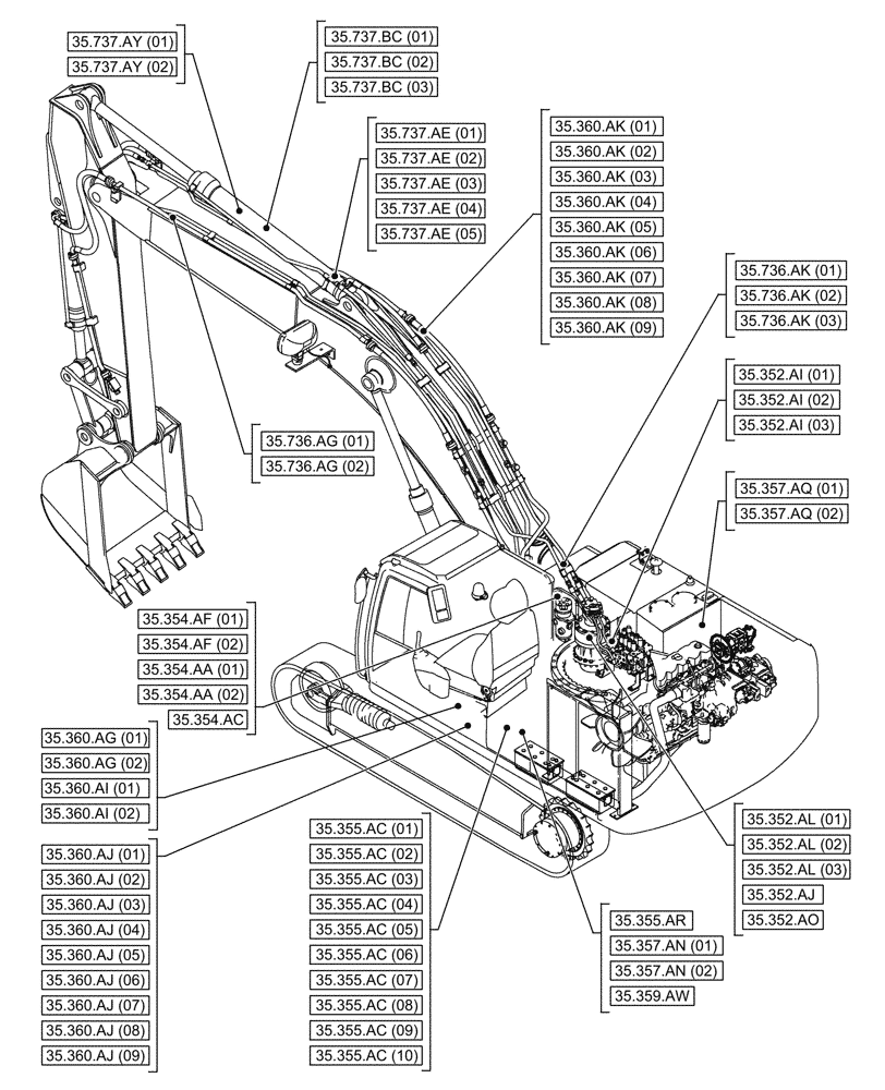
35.737.ay (02)
35.355.ac (03)
35.352.al (03)
35.360.aj (03)
35.737.ae (04)
35.354.aa (01)
35.360.aj (04)
35.357.aq (01)
35.360.aj (06)
35.355.ac (04)
35.354.ac
35.360.aj (07)
35.360.ak (03)
35.352.ai (01)
35.736.ak (02)
35.360.ak (07)
35.360.ak (05)
35.360.ak (08)
35.737.bc (01)
35.737.ae (02)
35.360.aj (09)
35.352.ai (03)
35.360.ai (01)
35.737.ae (01)
35.355.ac (01)
35.360.ak (06)
35.357.an (01)
35.359.aw
35.355.ac (05)
35.360.ag (02)
35.737.ae (05)
35.355.ac (10)
35.736.ak (03)
35.355.ac (09)
35.360.aj (08)
35.736.ak (01)
35.737.ay (01)
35.354.af (01)
35.355.ar
35.355.ac (02)
35.360.ak (09)
35.737.bc (03)
35.354.af (02)
35.360.ak (01)
35.360.ak (02)
35.352.al (02)
35.355.ac (07)
35.360.ag (01)
35.352.ai (02)
35.736.ag (01)
35.360.aj (01)
35.360.aj (05)
35.352.al (01)
35.357.aq (02)
35.737.ae (03)
35.354.aa (02)
35.355.ac (08)
35.352.ao
35.360.aj (02)
35.737.bc (02)
35.736.ag (02)
35.355.ac (06)
35.352.aj
35.357.an (02)
35.360.ai (02)
35.360.ak (04)
FIT
1:1
100%