Запчасти Case CX160D LC (50.000.00) - SECTION INDEX - CAB CLIMATE CONTROL (50) - CAB CLIMATE CONTROL

Схема запчастей Case CX160D LC - (50.000.00) - SECTION INDEX - CAB CLIMATE CONTROL (50) - CAB CLIMATE CONTROL
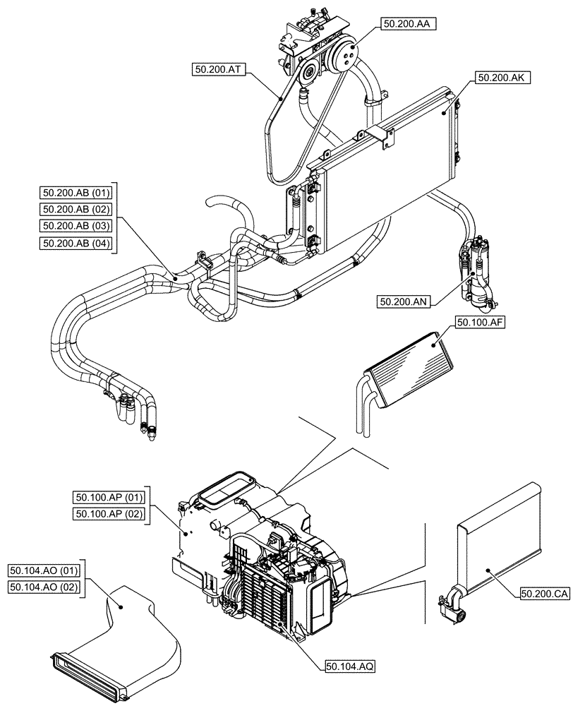
50.104.ao (01)
50.100.af
50.200.ab (02)
50.200.aa
50.200.ab (03)
50.104.ao (02)
50.200.at
50.100.ap (02)
50.104.aq
50.200.ca
50.100.ap (01)
50.200.an
50.200.ab (01)
50.200.ak
50.200.ab (04)
FIT
1:1
100%