Запчасти Case CX130D (00.000.90[02]) - PICTORIAL INDEX - PLATFORM, CAB, BODYWORK AND DECALS (00) - GENERAL & PICTORIAL INDEX

Схема запчастей Case CX130D - (00.000.90[02]) - PICTORIAL INDEX - PLATFORM, CAB, BODYWORK AND DECALS (00) - GENERAL & PICTORIAL INDEX
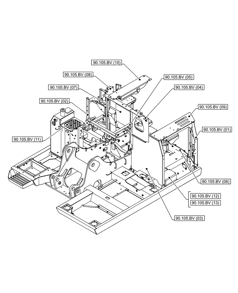
90.105.bv (13)
90.105.bv (05)
90.105.bv (09)
90.105.bv (04)
90.105.bv (06)
90.105.bv (10)
90.105.bv (11)
90.105.bv (12)
90.105.bv (07)
90.105.bv (02)
90.105.bv (08)
90.105.bv (01)
90.105.bv (03)
FIT
1:1
100%