Запчасти Case CX75C SR (55.000.00[03]) - SECTION INDEX - ELECTRICAL SYSTEMS (55) - ELECTRICAL SYSTEMS

Схема запчастей Case CX75C SR - (55.000.00[03]) - SECTION INDEX - ELECTRICAL SYSTEMS (55) - ELECTRICAL SYSTEMS
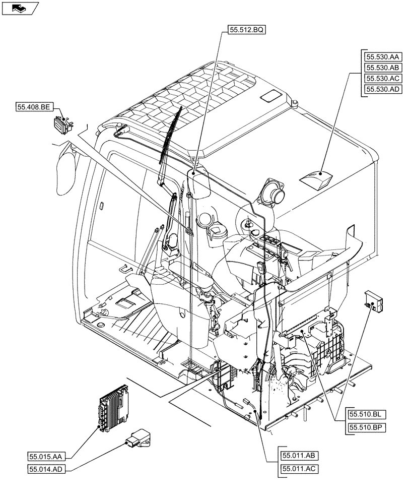
55.512.bq
55.530.ab
55.530.ac
55.014.ad
55.530.aa
55.015.aa
55.011.ac
55.530.ad
55.510.bp
55.408.be
55.510.bl
55.011.ab
FIT
1:1
100%