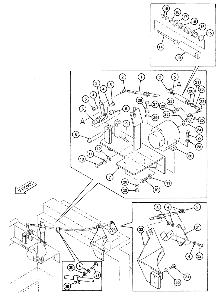
Запчасти Case 9040 (3-06) - THROTTLE AND FUEL SHUTOFF CONTROLS, PRIOR TO P.I.N. DAC0400004 (03) - FUEL SYSTEM

№
Артикул
Название
Примечание
Количество
1
156926A1
CABLE PULLING GRIP
CABLE - throttle control
1шт.
2
157155A1
BALL JOINT
JOINT - ball, throttle cable
3шт.
3
151501A1
LINK ASSY.
BELLCRANK - throttle control
1шт.
4
892-11006
LOCK WASHER,M6
WASHER, LOCK, M6
6шт.
5
829-1406
NUT,Hex, M6 x 1, Cl 10.9
4шт.
6
151272A1
BUSHING
- bellcrank
2шт.
7
151511A1
BRACKET
- mounting, throttle motor
1шт.
8
151507A1
PIN
- pivot, bellcrank retaining
1шт.
9
738-1632
LOCK PIN,M6 x 32, Slotted
PIN - roll, 6 x 32 mm
1шт.
10
627-12020
BOLT,Hex, M12 x 1.75 x 20mm, Cl 10.9, Full Thd
- hex, full threads, 12 - 1.75 x 20 mm, class 10.9
4шт.
11
150811A1
WASHER
- flat, special, 12 mm
4шт.
12
30574R1
LOCK WASHER,Ext Tooth, M12
WASHER - internal tooth lock, 12 mm
1шт.
150535A1
SPRING
ASSEMBLY - cable return, Includes: Ref. 13 - 19
1шт.
13
150537A1
TUBE
HOUSING - spring
1шт.
14
150540A1
BOLT,Hex, M6 x 95mm, Spcl
BOLT - hex, special
1шт.
15
150453A1
COLLAR CLAMP
GUIDE - spring
2шт.
16
150543A1
SPRING
- cable return
1шт.
17
800-2122
SNAP RING,M22, Internal
RING, SNAP, M22, Int
1шт.
18
895-11006
WASHER,6.6mm ID x 12mm OD x 1.6mm Thk
1шт.
19
829-1406
NUT,Hex, M6 x 1, Cl 10.9
2шт.
20
829-1408
NUT,Hex, M8 x 1.25, Cl 10.9
- hex, 8 mm - 1.25, class 10
3шт.
21
156925A1
ROD
- threaded, throttle compression spring
1шт.
22
151963A1
END
CONNECTOR - cable end
1шт.
23
892-11008
LOCK WASHER,8mm ID
WASHER, LOCK, M8
1шт.
24
151495A1
LEVER
BELLCRANK - throttle control, at motor
1шт.
25
878-10812
SET SCREW,Hex Skt, M8 x 12mm, Cup Pt
SCREW - set, hex socket, 8 - 1.25 x 12 mm, cup point
2шт.
26
152920A1
MOTOR
- throttle
1шт.
152920A1R
REMAN-ELECTRIC MOTOR
9040 PRIOR TO P.I.N. DAC0400004 (2/93-)
1шт.
152920A1C
CORE-ELECTRIC MOTOR
Return Number
1шт.
27
627-10035
BOLT,Hex, M10 x 1.5 x 35mm, Cl 10.9, Full Thd
- hex, full threads, 10 - 1.5 x 35 mm, class 10.9
2шт.
28
150594A1
WASHER
WASHER - flat, 10.5 x 18 x 3.2 mm
4шт.
29
893-11010
LOCK WASHER,Ext Tooth, M10
WASHER, LOCK, Ext Tooth, M10
1шт.
30
829-1410
NUT,M10 x 1.5, Cl 10.9
2шт.
31
151518A1
CONTROL LEVER
LEVER - control
1шт.
32
627-6016
BOLT,Hex, M6 x 1 x 16mm, Cl 10.9, Full Thd
- hex, full threads, 6 - 1.0 x 16 mm, class 10.9
2шт.
33
156454A1
BRACKET
- mounting, throttle cable
1шт.
35
150409A1
WASHER
- flat, special, 10.5 x 21 x 3.2 mm
2шт.
36
156462A1
COLLAR
CLAMP - P-type
1шт.
37
627-6012
BOLT,Hex, M6 x 1 x 12mm, Cl 10.9, Full Thd
- hex, full threads, 6 - 1.0 x 12 mm, class 10.9
1шт.
38
895-11006
WASHER,6.6mm ID x 12mm OD x 1.6mm Thk
1шт.
Выбрано товаров: 41