Запчасти Case AQ-4HK1XASS01 (55.000.00[02]) - SECTION INDEX - ELECTRICAL SYSTEMS (55) - ELECTRICAL SYSTEMS

Схема запчастей Case AQ-4HK1XASS01 - (55.000.00[02]) - SECTION INDEX - ELECTRICAL SYSTEMS (55) - ELECTRICAL SYSTEMS
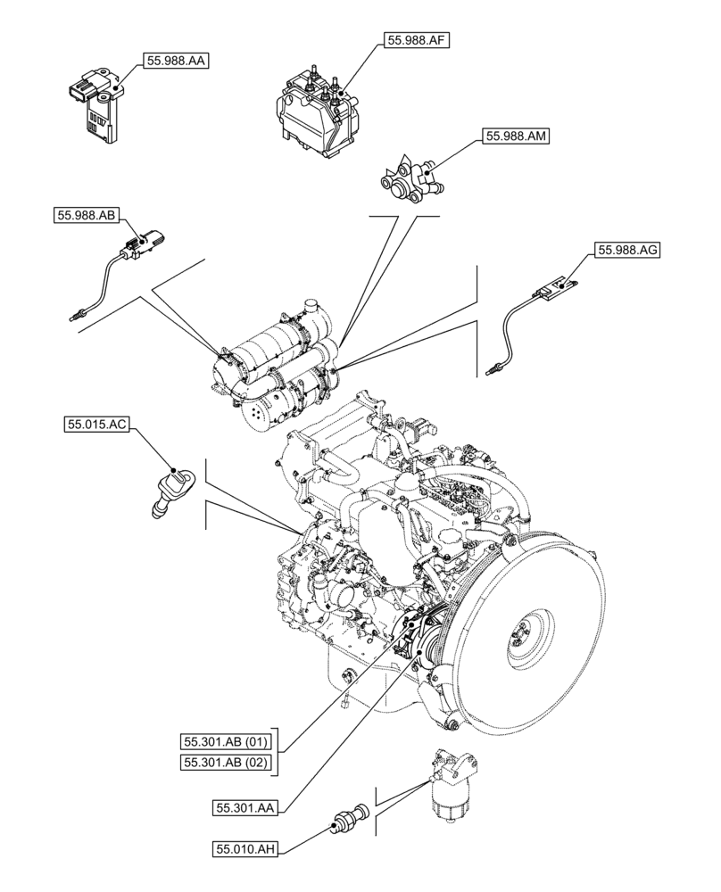
55.015.ac
55.988.ag
55.301.ab (02)
55.301.ab (01)
55.988.ab
55.988.aa
55.988.am
55.301.aa
55.988.af
55.010.ah
FIT
1:1
100%