Запчасти Case AQ-4HK1XASS01 (00.000.10[01]) - PICTORIAL INDEX - ENGINE (00) - GENERAL & PICTORIAL INDEX

Схема запчастей Case AQ-4HK1XASS01 - (00.000.10[01]) - PICTORIAL INDEX - ENGINE (00) - GENERAL & PICTORIAL INDEX
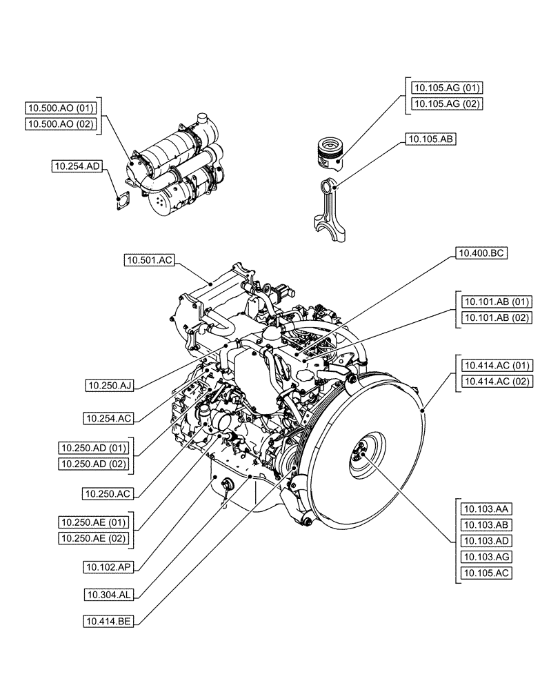
10.101.ab (01)
10.254.ad
10.103.ab
10.103.ad
10.105.ac
10.103.ag
10.250.ae (01)
10.500.ao (02)
10.250.ae (02)
10.400.bc
10.250.ad (02)
10.250.ac
10.101.ab (02)
10.250.aj
10.414.ac (01)
10.105.ag (02)
10.102.ap
10.105.ag (01)
10.254.ac
10.103.aa
10.501.ac
10.414.be
10.250.ad (01)
10.105.ab
10.500.ao (01)
10.414.ac (02)
10.304.al
FIT
1:1
100%