Запчасти Case F4HFE413W B003 (55.000.00) - SECTION INDEX - ELECTRICAL SYSTEMS (55) - ELECTRICAL SYSTEMS

Схема запчастей Case F4HFE413W B003 - (55.000.00) - SECTION INDEX - ELECTRICAL SYSTEMS (55) - ELECTRICAL SYSTEMS
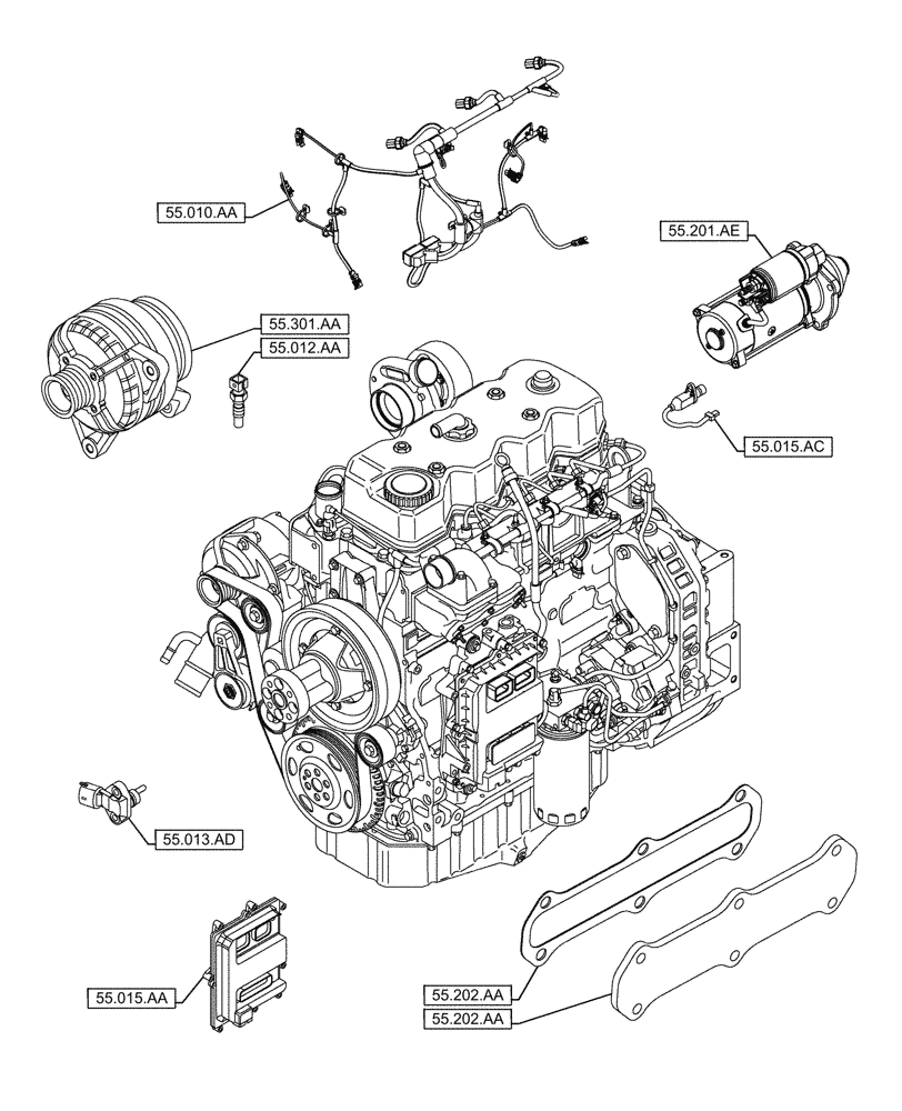
55.012.aa
55.202.aa
55.301.aa
55.202.aa
55.013.ad
55.015.aa
55.010.aa
55.015.ac
55.201.ae
FIT
1:1
100%