Запчасти Case F4HFE4135 B003 (00.000.55) - PICTORIAL INDEX - ELECTRICAL SYSTEMS (00) - GENERAL & PICTORIAL INDEX

Схема запчастей Case F4HFE4135 B003 - (00.000.55) - PICTORIAL INDEX - ELECTRICAL SYSTEMS (00) - GENERAL & PICTORIAL INDEX
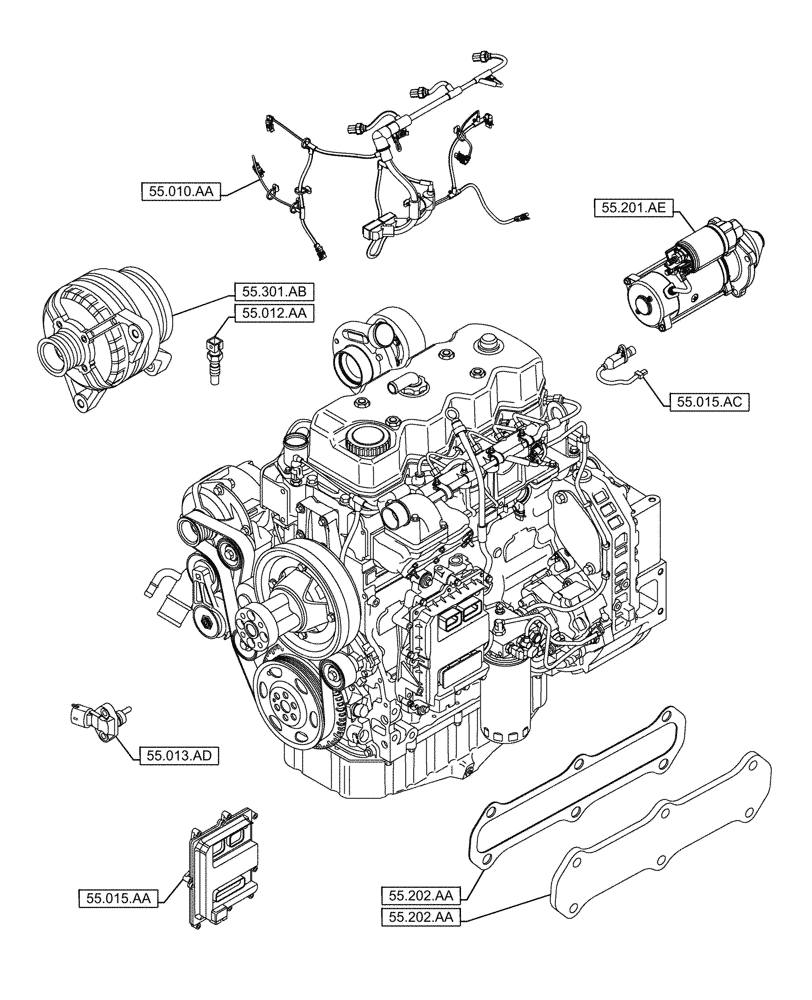
55.301.ab
55.013.ad
55.201.ae
55.015.ac
55.202.aa
55.202.aa
55.015.aa
55.010.aa
55.012.aa
FIT
1:1
100%