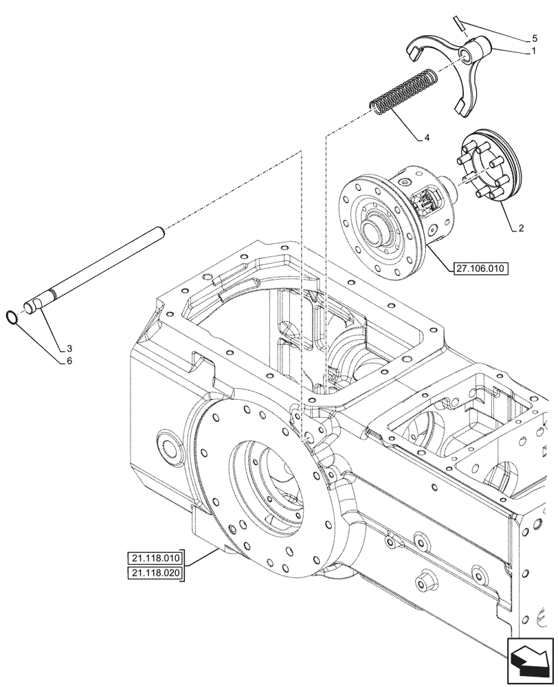
Запчасти Case IH JX95HC PLUS (27.106.030) - STD + VAR - 335113, 390110 - DIFFERENTIAL LOCK (27) - REAR AXLE SYSTEM

1
2
4
21.118.020
3
21.118.010
6
5
27.106.010
FIT
1:1
100%
№
Артикул
Название
Примечание
Количество
1
5113659
SHIFTER FORK
1шт.
2
5117245
DRIVE BUSHING
1шт.
3
84129925
SHAFT
1шт.
4
5094199
SPRING
1шт.
5
13910670
ROLL PIN,M6 x 40mm OAL, Coiled
1шт.
6
14457280
O-RING,0.103" Thk x 0.612" ID, -114, Cl 5, 75 Duro
2шт.
Выбрано товаров: 6