Запчасти Case IH FARMALL 95C (00.000.21[01]) - PICTORIAL INDEX - TRANSMISSION (00) - GENERAL & PICTORIAL INDEX

Схема запчастей Case IH FARMALL 95C - (00.000.21[01]) - PICTORIAL INDEX - TRANSMISSION (00) - GENERAL & PICTORIAL INDEX
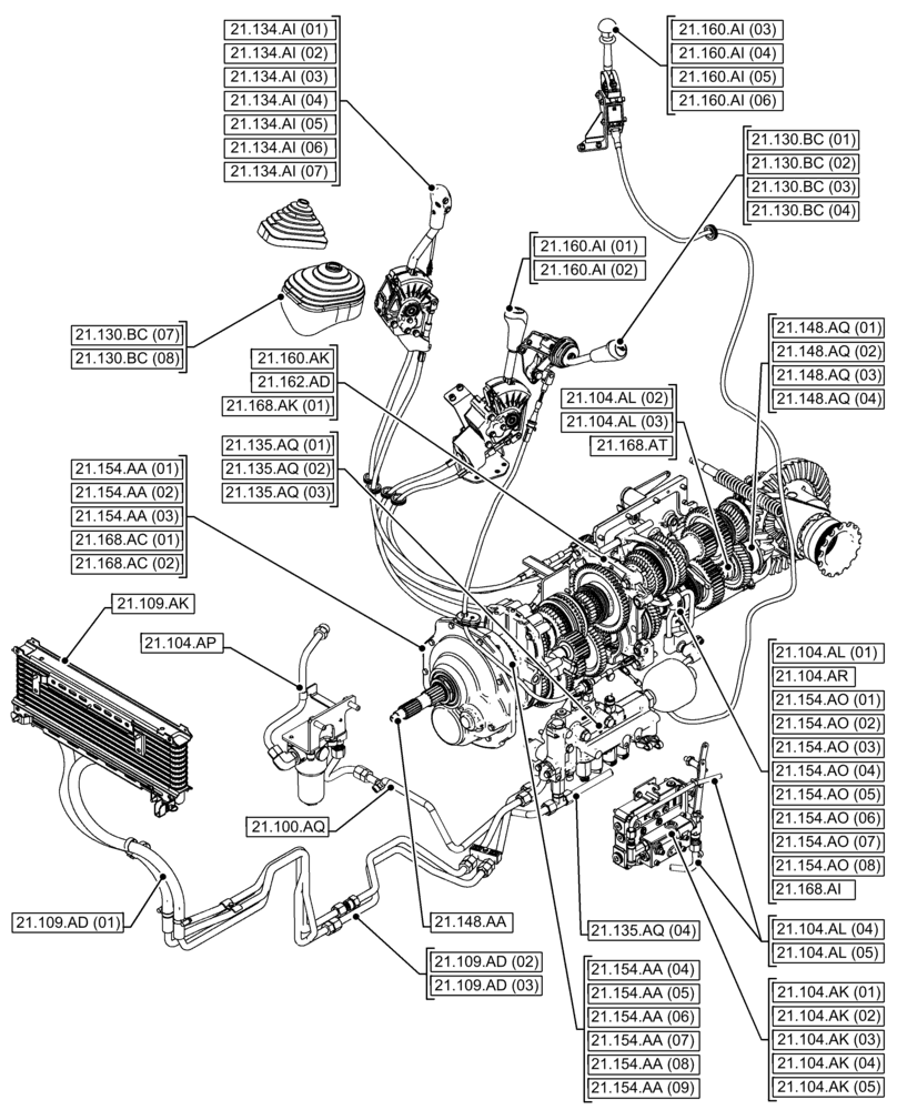
21.135.aq (01)
21.160.ai (05)
21.148.aq (03)
21.148.aq (04)
21.168.ac (01)
21.134.ai (02)
21.134.ai (07)
21.154.ao (03)
21.168.ak (01)
21.154.aa (02)
21.154.aa (09)
21.148.aq (01)
21.104.ap
21.104.al (05)
21.154.aa (08)
21.135.aq (04)
21.130.bc (02)
21.154.aa (06)
21.104.al (02)
21.104.al (01)
21.154.aa (03)
21.100.aq
21.104.ak (01)
21.135.aq (02)
21.160.ai (02)
21.104.ar
21.154.aa (04)
21.104.ak (02)
21.160.ai (03)
21.109.ad (02)
21.104.al (03)
21.130.bc (01)
21.168.ai
21.154.ao (08)
21.160.ak
21.154.aa (01)
21.162.ad
21.109.ak
21.135.aq (03)
21.130.bc (03)
21.109.ad (01)
21.104.al (04)
21.134.ai (03)
21.104.ak (05)
21.154.aa (07)
21.104.ak (03)
21.134.ai (01)
21.154.ao (07)
21.168.at
21.104.ak (04)
21.154.ao (02)
21.148.aq (02)
21.130.bc (04)
21.154.ao (01)
21.134.ai (04)
21.130.bc (08)
21.154.aa (05)
21.160.ai (06)
21.109.ad (03)
21.154.ao (04)
21.154.ao (06)
21.154.ao (05)
21.160.ai (01)
21.160.ai (04)
21.134.ai (05)
21.148.aa
21.134.ai (06)
21.168.ac (02)
21.130.bc (07)
FIT
1:1
100%