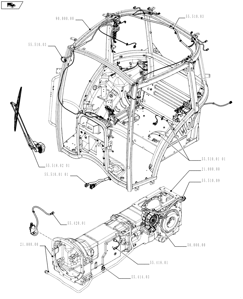
Запчасти Case IH FARMALL 75C (55.000.00[05]) - PICTORIAL INDEX - ELECTRICAL SYSTEM (55) - ELECTRICAL SYSTEMS

Схема запчастей Case IH FARMALL 75C - (55.000.00[05]) - PICTORIAL INDEX - ELECTRICAL SYSTEM (55) - ELECTRICAL SYSTEMS
home
55.510.01 01
55.510.01 01
55.518.02 01
55.414.03
55.510.03
90.000.00
55.510.03
21.000.00
21.000.00
55.510.09
50.000.00
55.420.01
55.418.01
FIT
1:1
100%