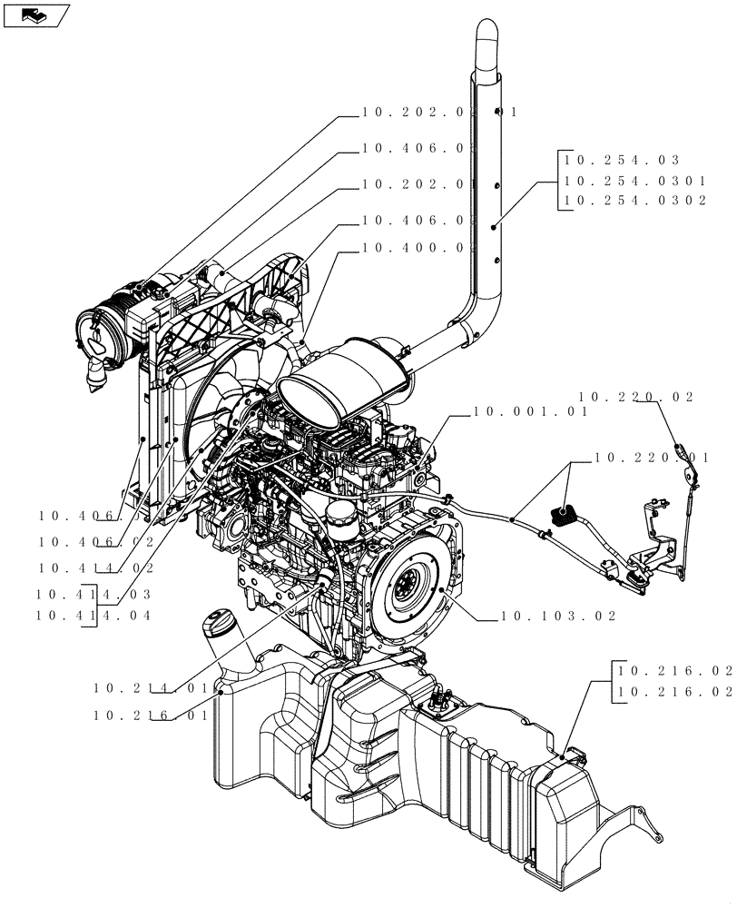
Запчасти Case IH FARMALL 65C (10.000.00[01]) - PICTORIAL INDEX - ENGINE EQUIPMENT (10) - ENGINE

Схема запчастей Case IH FARMALL 65C - (10.000.00[01]) - PICTORIAL INDEX - ENGINE EQUIPMENT (10) - ENGINE
10.414.02
10.406.02
10.406.01
10.214.01
10.254.0302
10.254.0301
10.254.03
10.216.0201
10.216.02
10.414.04
10.414.03
10.220.01
10.001.01
10.406.06
10.202.01
10.406.02
10.400.02
10.103.02
10.220.02
10.216.01
home
10.202.02 01
FIT
1:1
100%