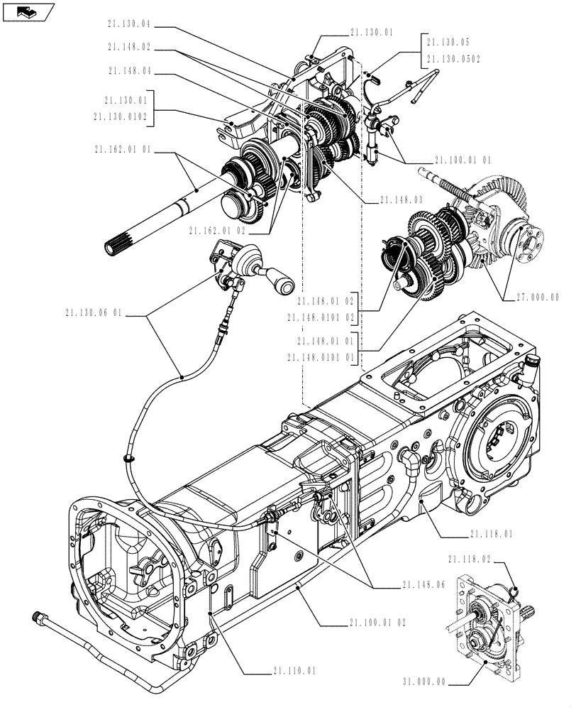
Запчасти Case IH FARMALL 65C (21.000.00[02]) - PICTORIAL INDEX - TRANSMISSION - L/CAB (21) - TRANSMISSION

Схема запчастей Case IH FARMALL 65C - (21.000.00[02]) - PICTORIAL INDEX - TRANSMISSION - L/CAB (21) - TRANSMISSION
home
21.148.0101 01
21.148.01 01
21.148.0101 02
21.148.01 02
21.100.01 02
21.130.06 01
21.100.01 01
21.162.01 01
21.162.01 02
21.118.01
21.118.02
31.000.00
27.000.00
21.110.01
21.148.06
21.130.04
21.148.04
21.130.0102
21.130.01
21.130.0502
21.130.05
21.130.01
21.148.03
21.148.02
FIT
1:1
100%