Запчасти Case IH FARMALL 120U (00.000.90[01]) - PICTORIAL INDEX - PLATFORM, CAB, BODYWORK AND DECALS (00) - GENERAL & PICTORIAL INDEX

Схема запчастей Case IH FARMALL 120U - (00.000.90[01]) - PICTORIAL INDEX - PLATFORM, CAB, BODYWORK AND DECALS (00) - GENERAL & PICTORIAL INDEX
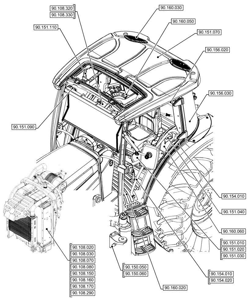
90.151.110
90.160.030
90.150.060
90.160.020
90.151.090
90.108.330
90.108.080
90.150.050
90.108.320
90.108.070
90.160.060
90.151.040
90.151.070
90.151.030
90.108.160
90.108.170
90.154.010
90.154.010
90.154.020
90.160.050
90.151.010
90.156.030
90.156.020
90.151.020
90.108.290
90.108.020
90.108.030
90.108.150
FIT
1:1
100%