Запчасти Case IH FARMALL 120U (00.000.23) - PICTORIAL INDEX - 4WD LINES (00) - GENERAL & PICTORIAL INDEX

Схема запчастей Case IH FARMALL 120U - (00.000.23) - PICTORIAL INDEX - 4WD LINES (00) - GENERAL & PICTORIAL INDEX
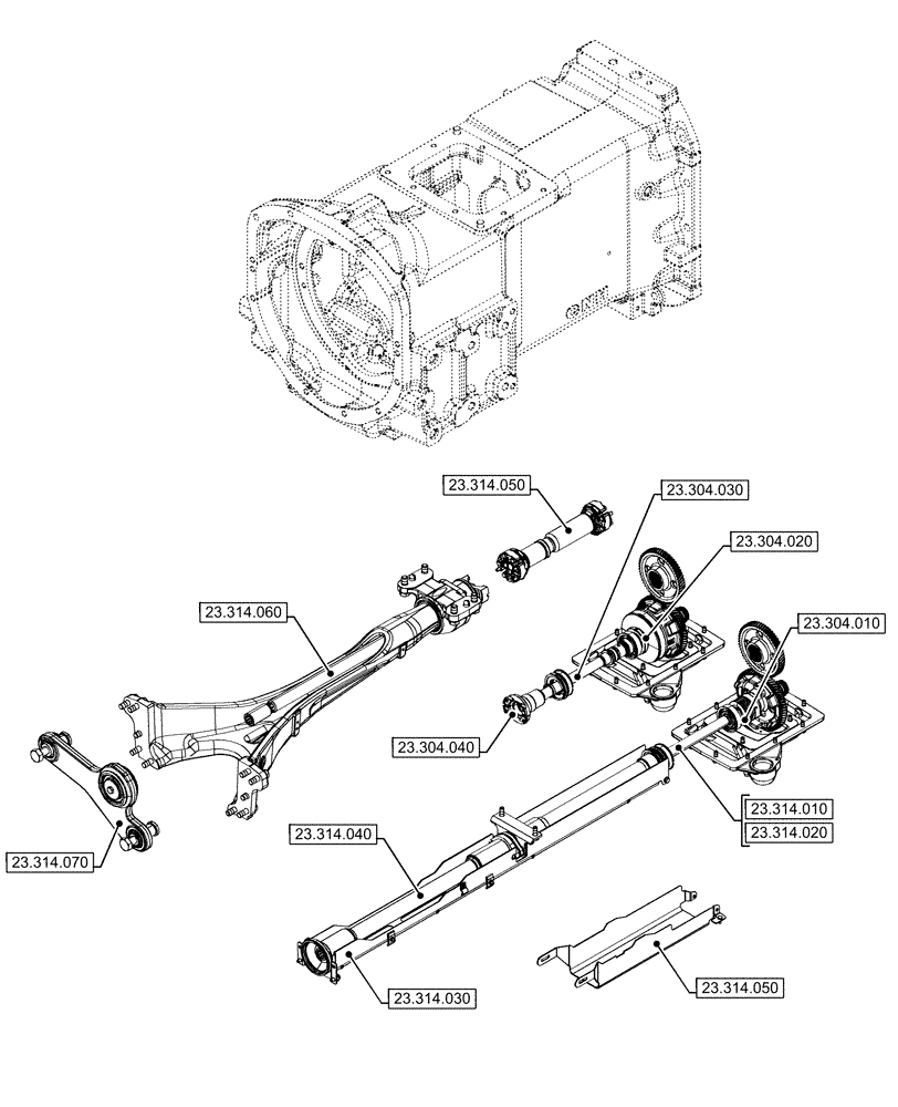
23.314.060
23.314.030
23.304.020
23.304.010
23.304.030
23.314.010
23.304.040
23.314.050
23.314.050
23.314.020
23.314.070
23.314.040
FIT
1:1
100%