Запчасти Case IH FARMALL 120U (00.000.10[01]) - PICTORIAL INDEX - ENGINE (00) - GENERAL & PICTORIAL INDEX

Схема запчастей Case IH FARMALL 120U - (00.000.10[01]) - PICTORIAL INDEX - ENGINE (00) - GENERAL & PICTORIAL INDEX
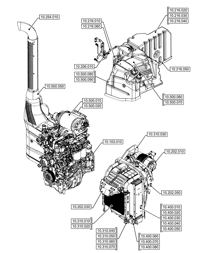
10.310.060
10.500.020
10.500.060
10.400.010
10.400.040
10.310.020
10.310.010
10.400.050
10.310.070
10.310.050
10.216.020
10.202.050
10.254.010
10.310.030
10.103.010
10.500.050
10.500.010
10.202.010
10.202.030
10.400.020
10.400.030
10.310.040
10.500.080
10.500.070
10.216.010
10.400.060
10.400.080
10.500.090
10.216.050
10.216.060
10.206.010
10.216.040
10.216.030
10.400.070
FIT
1:1
100%