Запчасти Case IH FARMALL 120U (18.000.00) - SECTION INDEX - CLUTCH (18) - CLUTCH

Схема запчастей Case IH FARMALL 120U - (18.000.00) - SECTION INDEX - CLUTCH (18) - CLUTCH
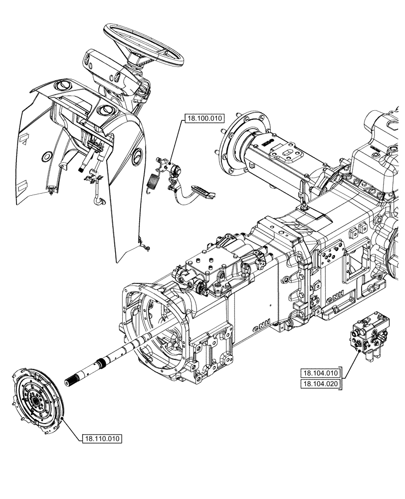
18.104.020
18.110.010
18.104.010
18.100.010
FIT
1:1
100%