Запчасти Case IH FARMALL 120C (00.000.33) - PICTORIAL INDEX - BRAKES & CONTROLS (00) - GENERAL & PICTORIAL INDEX

Схема запчастей Case IH FARMALL 120C - (00.000.33) - PICTORIAL INDEX - BRAKES & CONTROLS (00) - GENERAL & PICTORIAL INDEX
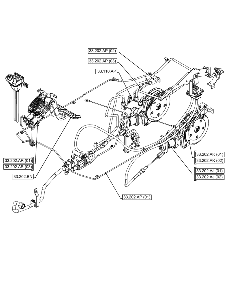
33.202.bn
33.110.ap
33.202.aj (02)
33.202.ap (02)
33.202.ap (01)
33.202.ar (01)
33.202.ap (03)
33.202.ak (01)
33.202.ak (02)
33.202.ar (03)
33.202.aj (01)
FIT
1:1
100%