Запчасти Case IH FARMALL 120A (00.000.21[02]) - PICTORIAL INDEX - TRANSMISSION (00) - GENERAL & PICTORIAL INDEX

Схема запчастей Case IH FARMALL 120A - (00.000.21[02]) - PICTORIAL INDEX - TRANSMISSION (00) - GENERAL & PICTORIAL INDEX
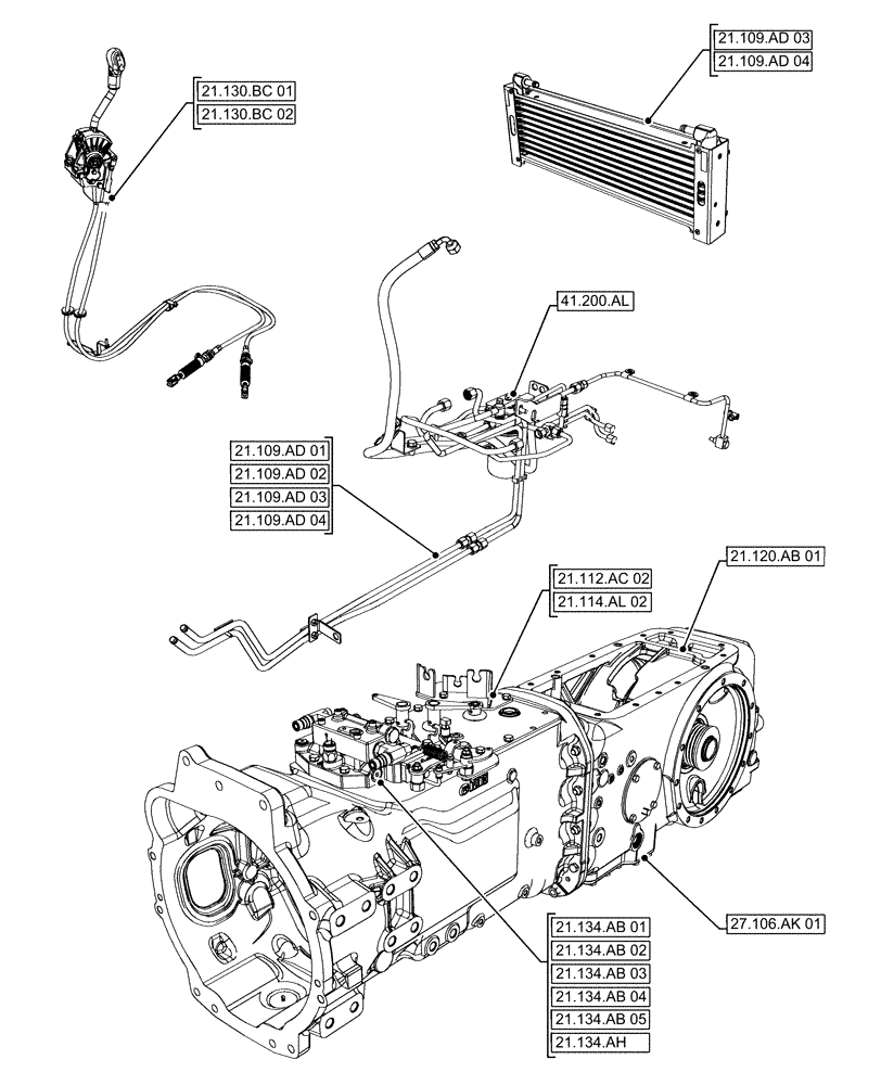
21.109.ad 01
21.134.ah
21.114.al 02
21.134.ab 01
21.109.ad 03
21.134.ab 04
21.120.ab 01
27.106.ak 01
21.134.ab 03
21.109.ad 03
21.130.bc 02
21.109.ad 04
21.134.ab 02
21.109.ad 04
41.200.al
21.130.bc 01
21.109.ad 02
21.112.ac 02
21.134.ab 05
FIT
1:1
100%