Запчасти Case IH FARMALL 115U (00.000.55[03]) - PICTORIAL INDEX - ELECTRICAL SYSTEMS (00) - GENERAL & PICTORIAL INDEX

Схема запчастей Case IH FARMALL 115U - (00.000.55[03]) - PICTORIAL INDEX - ELECTRICAL SYSTEMS (00) - GENERAL & PICTORIAL INDEX
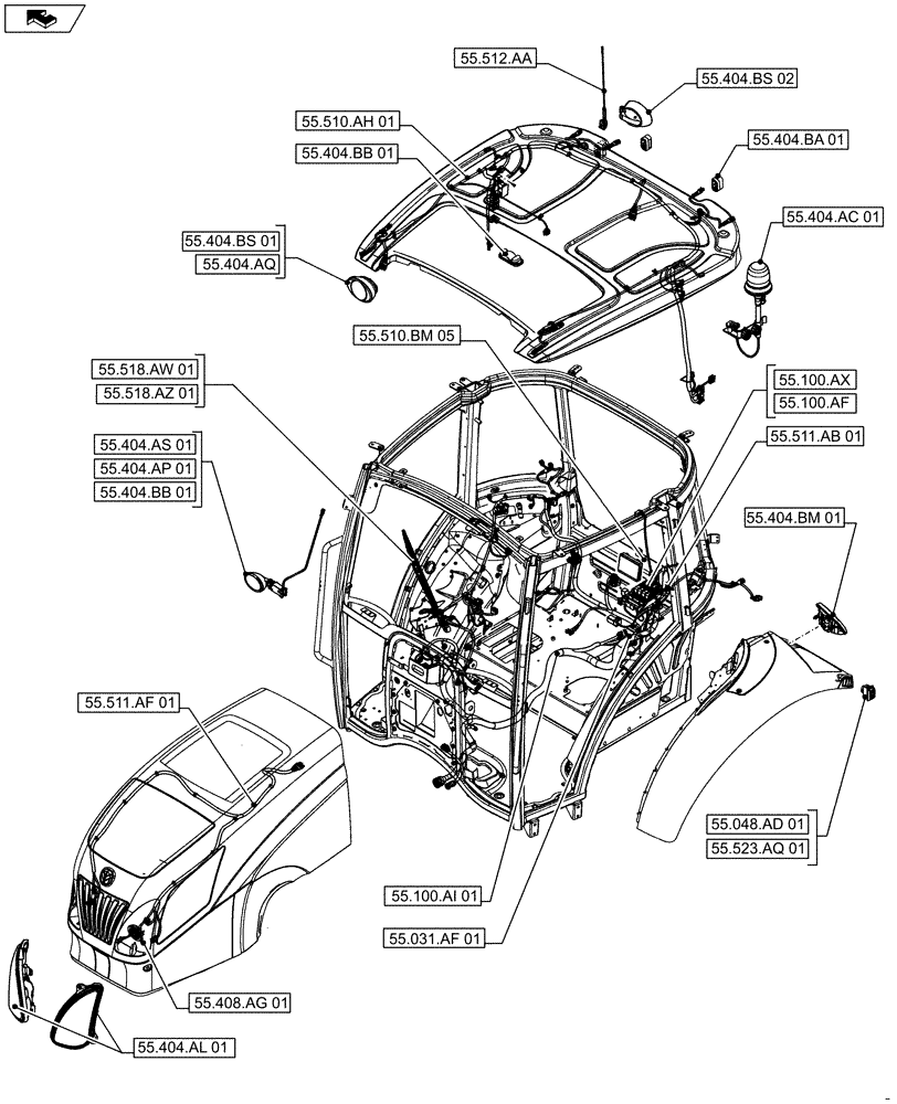
55.404.as 01
55.404.aq
55.100.af
55.404.bm 01
55.404.ap (01)
55.408.ag 01
55.100.ax
55.511.af (01)
55.518.az 01
55.404.ac 01
55.100.ai 01
55.404.al (01)
55.048.ad 01
home
55.511.ab (01)
55.518.aw (01)
55.510.ah 01
55.031.af 01
55.523.aq 01
55.512.aa
55.404.bs 02
55.404.bs 01
55.404.bb 01
55.404.bb 01
55.510.bm 05
55.404.ba (01)
FIT
1:1
100%