Запчасти Case IH FARMALL 115U (00.000.31) - PICTORIAL INDEX - IMPLEMENT POWER TAKE-OFF (00) - GENERAL & PICTORIAL INDEX

Схема запчастей Case IH FARMALL 115U - (00.000.31) - PICTORIAL INDEX - IMPLEMENT POWER TAKE-OFF (00) - GENERAL & PICTORIAL INDEX
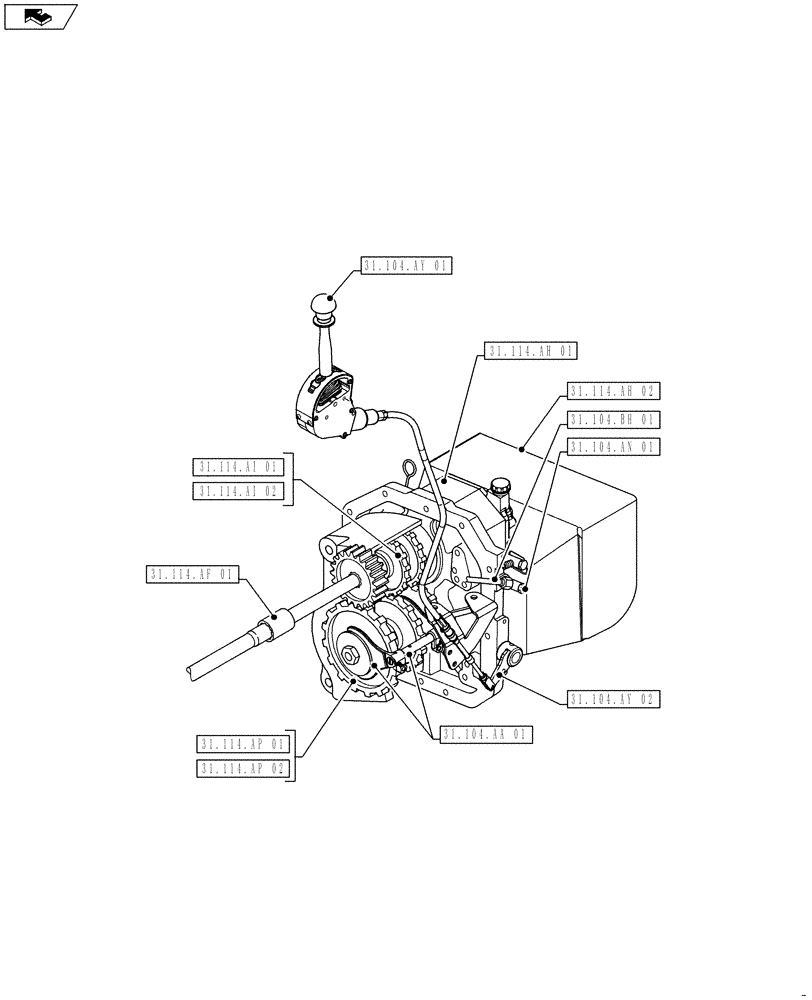
31.114.ah 01
31.104.ay 02
31.114.af 01
31.114.ai 01
31.114.ai 02
31.104.ay 01
home
31.104.bh 01
31.104.an 01
31.114.ap 02
31.104.aa 01
31.114.ah 02
31.114.ap 01
FIT
1:1
100%