Запчасти Case IH FARMALL 115U (55.000.00[03]) - SECTION INDEX - ELECTRICAL SYSTEMS (55) - ELECTRICAL SYSTEMS

Схема запчастей Case IH FARMALL 115U - (55.000.00[03]) - SECTION INDEX - ELECTRICAL SYSTEMS (55) - ELECTRICAL SYSTEMS
home
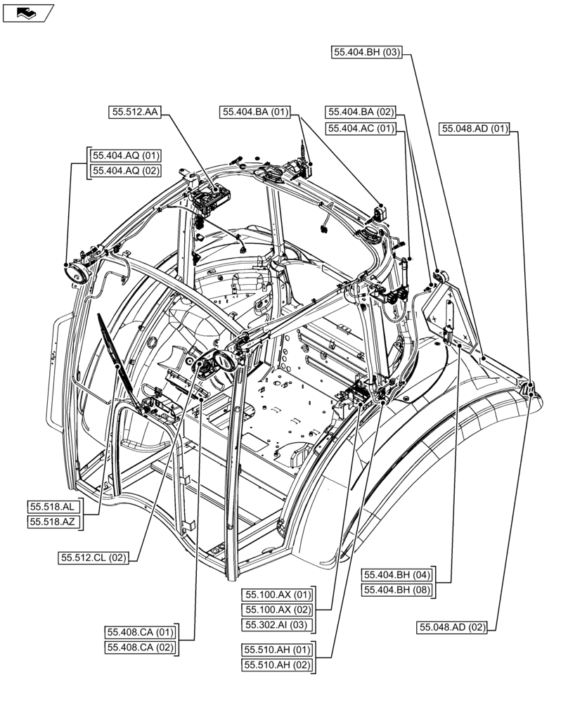
55.510.ah (01)
55.404.ba (01)
55.404.bh (08)
55.518.az
55.512.cl (02)
55.518.al
55.408.ca (01)
55.404.aq (02)
55.048.ad (01)
55.404.ba (02)
55.404.ac (01)
55.302.ai (03)
55.100.ax (02)
55.512.aa
55.510.ah (02)
55.408.ca (02)
55.404.bh (04)
55.404.aq (01)
55.100.ax (01)
55.404.bh (03)
55.048.ad (02)
FIT
1:1
100%