Запчасти Case IH FARMALL 115U (00.000.35[01]) - PICTORIAL INDEX - HYDRAULIC SYSTEMS (00) - GENERAL & PICTORIAL INDEX

Схема запчастей Case IH FARMALL 115U - (00.000.35[01]) - PICTORIAL INDEX - HYDRAULIC SYSTEMS (00) - GENERAL & PICTORIAL INDEX
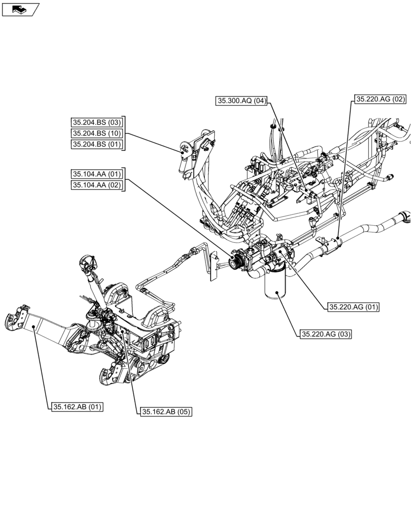
35.220.ag (03)
35.204.bs (03)
home
35.162.ab (05)
35.300.aq (04)
home
35.104.aa (02)
35.220.ag (02)
35.220.ag (01)
35.204.bs (01)
35.204.bs (10)
35.104.aa (01)
35.162.ab (01)
FIT
1:1
100%